Section 1.22
Camshaft and Camshaft Bearing
The Series 50 Engines camshaft is located on top of the cylinder head, just below the valve cover. The camshaft actuates the intake and exhaust valves and injector operating mechanism. See Figure "Camshaft and Related Parts" .

Figure 1. Camshaft and Related Parts
Note: The S50G camshaft has no injector lobe on the cam.
The camshaft is supported by five bearing assemblies, consisting of precision-type, replaceable bearing shell inserts that are split at their center lines. Current non-tin-plated production bearing shells are identified by their shiny aluminum color. Current tin plated service bearing shells have dull gray sheen. The lower bearing shell is positioned in a saddle that is integral with the cylinder head. The upper bearing shell is held in place by a machined camshaft cap. Upper and lower bearing shells are identical and have locating tangs and oil holes. Only the upper bearing shell oil holes index with oil supply holes in the camshaft caps. See Figure "Camshaft Bearings and Caps" . These camshaft caps are precision line-bored after assembly to the cylinder head. Caps are NOT interchangeable once the head is finished. Caps are numbered and must NOT be interchanged with other caps of the same part number from stock or from a different cylinder head.

|
1. Cut Seal |
7. Stud, Camshaft Cap (2) |
|
2. Camshaft |
8. Camshaft Cap |
|
3. Bushing |
9. Bearing Shells |
|
4. Bolt, Camshaft Cover |
10. Race Track Seal |
|
5. Camshaft Cover |
11. Cylinder Head |
|
6. Bolt, Camshaft Cap (9) |
|
Figure 2. Camshaft Bearings and Caps
The No. 3 camshaft cap is secured to the cylinder head with three bolts, with No. 2, and 4 caps utilize two bolts each. Caps one and five have a stud and one bolt each. The stud and nut arrangement on the end caps (1 and 5) allows rocker arm shaft removal without disturbing the gasket eliminator seal from the end camshaft caps to the cylinder head. There are four different camshaft cap configurations. Only the intermediate caps No. 2, and 4 are identical but must not be interchanged during re-assembly. See Figure "Camshaft Caps Location" .

|
1. Camshaft Cap Bolt (9) |
2. Camshaft Cap Stud and Nut |
Figure 3. Camshaft Caps Location
The camshaft is driven by a camshaft drive gear, located in the gear case at the front of the engine and is driven, through a series of intermediate gears, by the crankshaft timing gear. Refer to "1.21 Gear Train and Engine Timing" for gear train information and camshaft drive gear lash measurement and adjustment procedures. See Figure "Engine Gear Train" .

Figure 4. Engine Gear Train
The camshaft drive gear is indexed to the camshaft drive gear hub by a Woodruff key and retained by a bolt which goes through the camshaft drive gear and hub and threads into the end of the camshaft. The camshaft has a dowel which indexes and fits into the mating hole in the camshaft hub. See Figure "Cross Section of Camshaft Drive Gear and Related Parts" .

|
1. Woodruff Key |
5. Seal Groove |
|
2. Camshaft Drive Gear Hub |
6. Camshaft Dowel Hole |
|
3. Camshaft Drive Gear |
7. Camshaft Thrust Plate |
|
4. O-ring Groove |
|
Figure 5. Cross Section of Camshaft Drive Gear and Related Parts
The camshaft hub is located in the camshaft thrust plate, which is positioned in an opening in the gear case housing. Refer to "1.24.2 Removal of Camshaft Drive Gear" for camshaft drive gear, camshaft hub, or thrust plate removal. See Figure "Camshaft Thrust Plate and Related Parts" .

|
1. Bolt, Thrust Plate Retaining (2) or (3) |
6. Gear Case |
|
2. Bolt, Camshaft Hub Retaining |
7. Seal, Thrust Plate |
|
3. Drive Gear, Camshaft |
8. Camshaft |
|
4. Thrust Plate, Camshaft |
9. Key |
|
5. O-ring |
10. Hub |
Figure 6. Camshaft Thrust Plate and Related Parts
Access openings are provided in the gear case cover for camshaft drive gear lash adjustment and camshaft retaining bolt removal. See Figure "Camshaft Drive Gear and Adjustable Idler Gear Access Cover" .

Figure 7. Camshaft Drive Gear and Adjustable Idler Gear Access Cover
A cover is provided at the rear end of the camshaft and is secured to the No. 5 camshaft bearing cap and the cylinder head by three bolts. See Figure "Rear Camshaft Access Cover" .

Figure 8. Rear Camshaft Access Cover
Vertical oil passages at the front and rear of the cylinder head deliver oil from the cylinder block front and rear oil galleries to the No. 1 and lower camshaft bearing saddles. From there, the oil is directed upward (through the enlarged stud hole) to the No. 1 and 5 upper bearing caps. A drilled passage in each of these caps exits at the rocker arm shaft seat area, where it indexes with a hole in each rocker arm shaft. The rocker arm shafts have internal oil passages that deliver oil to the rocker arm bushings and intermediate upper camshaft bearings. Some of the oil supplied to the rocker arm bushing passes through the oil hole in the bushing to the rocker arm. The rocker is drilled to supply oil to the camshaft follower, roller pin, and bushing. The rocker is also drilled to supply oil to the valve adjusting screw, valve button, retainer clip, intake, and exhaust valve stems and the fuel injector follower. The No. 3 camshaft cap is "Y" drilled, forming an oil path connection between the front and rear rocker arm shafts, to ensure complete lubrication. See Figure "Lubrication Schematic" .

|
1. Rocker Arm Exhaust Valve |
4. Rocker Arm Shaft |
|
2. Rocker Arm Fuel Injector |
5. Cylinder Head |
|
3. Camshaft Cap |
6. Intake Valve Rocker Arm |
Figure 9. Lubrication Schematic
Section 1.22.1
Repair or Replacement of Camshaft and Camshaft Bearing
To determine if repair or replacement of the camshaft and camshaft bearings is necessary, perform the following procedure. See Figure "Flowchart for Repair or Replacement of Camshaft" .

Figure 10. Flowchart for Repair or Replacement of Camshaft
Section 1.22.2
Removal of Camshaft and Camshaft Bearing
Removal of camshaft and camshaft bearings as follows:
- Remove the rocker cover. Refer to "1.6.2 Cleaning and Removing of Two-piece Rocker Cover-Diesel Engines Only" .
- Remove the five bolts that secure the camshaft drive gear access cover to the gear case. See Figure "Camshaft Drive Gear and Adjustable Idler Gear Access Cover" .
- Remove both rocker arm shaft assemblies. Refer to "1.3.2 Removal of Rocker Arm Assembly"
.
NOTICE:
Only special tool, J 35652-A part of J 35652 , should be used to hold the camshaft drive gear stationary while loosening or tightening the camshaft drive gear-to-camshaft bolt. Other tools or devices can cause engine damage.
- Insert the shoe of the camshaft drive gear torque holding tool, J 35652-A part of J 35652 , through a lightening hole of the camshaft drive gear.
- Using the 3/4 in. square hole in the center of the crankshaft pulley, bar the engine over slightly to position the camshaft drive gear holding tool so that the bolt holes in the holding tool align with the access cover bolt holes in the gear case cover.
- Install the camshaft drive gear torque holding tool, J 35652-A part of J 35652 to the gear case, engaging one of the lightening holes in the camshaft drive gear. Use two of the access cover bolts to secure the tool to the gear case. See Figure "Camshaft Drive Gear Torque Holding Tool Installation" .
- Use a long 3/4 in. drive breaker bar and a 27 mm impact socket to remove the camshaft drive gear-to-camshaft bolt. Discard the bolt.
- Remove the camshaft drive gear torque holding tool from the gear case.

Figure 11. Camshaft Drive Gear Torque Holding Tool Installation
- Rotate the crankshaft, using the square hole in the middle of the crankshaft pulley, to align the lightening holes in the camshaft drive gear to the camshaft thrust plate mounting bolts.
- Remove the two camshaft thrust plate mounting bolts carefully, to avoid dropping them into the gear case. The current plate uses three bolts; the former plate requires two bolts. See Figure
"Camshaft Thrust Plate Bolt Locations"
.
Note: A clean shop towel may be inserted into the gear case opening to trap the bolts in case they are dropped. Do not allow the shop towel to drop into the gear case.

1. Camshaft Thrust Plate Mounting Bolt Locations
Figure 12. Camshaft Thrust Plate Bolt Locations
- Install the camshaft gear pilot, J 35906–6
, to the camshaft drive gear access opening, using three of the access cover bolt holes. Engage the puller screw (select proper size screw) in the threads of the camshaft drive gear hub, until the screw is tight. See Figure
"Camshaft Gear Pilot"
.

Figure 13. Camshaft Gear Pilot
- Continue turning the puller screw to pull the camshaft drive gear hub and thrust plate forward approximately 6-7 mm (1/4 in.) until the thrust plate seal is clear of the camshaft front bearing cap and cylinder head. See Figure
"Camshaft Thrust Plate Clearance"
.

Figure 14. Camshaft Thrust Plate Clearance
- Remove the three bolts that secure the rear camshaft cover to the engine and remove the cover.
- Remove the remaining seven camshaft cap bolts. Remove the No. 1 and 5 studs using socket tool J 36003-A
. See Figure
"Camshaft Cap Stud Removal"
.

Figure 15. Camshaft Cap Stud Removal
- Remove the five camshaft bearing caps and the upper bearing shells. Keep the caps and shells together for possible later installation. Tag the bearing cap location, as they must always be installed in the same location.
- Remove the center screw from the camshaft gear pilot tool. The camshaft gear pilot tool will remain in place, holding the camshaft drive gear in contact with the adjustable idler gear, to prevent accidental disengagement. This arrangement makes it unnecessary to re-time the gear train.
Note: The camshaft gear can go out of time if the pilot tool is removed.
- Slide the camshaft rearward to completely disengage the dowel from the hub. Lift out the camshaft.
- Remove the lower camshaft bearing shells, and group them with the upper shells and caps for possible reuse.
Section 1.22.3
Disassembly of Camshaft and Camshaft Bearing
Refer to "1.24.2 Removal of Camshaft Drive Gear" for disassembly of camshaft drive gear, camshaft hub and thrust plate assembly.
Note: Disassembly of camshaft and drive gear assembly is not required for inspection. Disassembly will require timing of the camshaft gear again.
Section 1.22.3.1
Inspection of Camshaft and Camshaft Bearing
Inspect camshaft and camshaft bearings as follows:
- Clean all of the removed parts in clean fuel oil.
- Ensure all oil passages are clear.

EYE INJURY
To avoid injury from flying debris when using compressed air, wear adequate eye protection (face shield or safety goggles) and do not exceed 276 kPa (40 psi) air pressure.
- Dry with compressed air.
- Inspect the rocker arm valve springs for scoring. Refer to "1.4.5.3 Inspection of Valve Guides" .
- Replace damaged rocker arm components.
- Inspect the camshaft lobes and journals for scoring, pitting, or flat spots.

Figure 16. Camshafts Exhibiting Wear and Pitting

Figure 17. Camshafts Exhibiting Surface Pits on the Exhaust Lobes
Note: Camshafts exhibiting extensive wear and pitting must be replaced. See Figure "Camshafts Exhibiting Wear and Pitting" .
Note: Camshafts may exhibit surface pits on the exhaust lobes. See Figure "Camshafts Exhibiting Surface Pits on the Exhaust Lobes" . Extensive durability and field testing has shown that surface pits on the exhaust lobes can occur early in the operation of the engine. These blemishes do not adversely affect engine performance or the durability of the camshaft and followers. Camshafts with this condition may be reused.
- If the cam is scored, inspect the camshaft follower rollers.
- Replace damaged camshaft followers.
- If there is a doubt as to the acceptability of the camshaft for further service, determine the extent of camshaft lobe wear as follows:
Note: The camshaft can be in or out of the engine during this procedure.
- With a set of feeler gages, 0.038-0.254 mm (0.0015-0.010 in.) and a piece of square, hard material 3 x 10 x 25 mm (1/8 in. x 3/8 in. x 1 in.), measure the flat on the injector rise side of the camshaft lobes and nose of valve lobes. See Figure "Checking Camshaft Lobe Wear" .
- If the flats measure greater than 0.076 mm (0.003 in.) in depth and there are no other camshaft defects, replace the camshaft.
- Inspect the camshaft bearings for signs of excessive wear, scoring or pitting.
- Replace camshaft bearings as necessary.
- Check the camshaft bearing clearance using plastic gaging material under each upper shell. See Figure "Camshaft Bearing Clearance Setup" .
- Allowable clearance is 0.09-0.166 mm (0.0035-0.0065 in.) or a maximum of 0.191 mm (0.0075 in.) with used parts.
- Replace excessively worn or scored parts.
- After completing the camshaft bearing clearance measurements, remove the rocker arm shafts, bearing caps, camshaft, and camshaft bearings. Keep the caps and shells together for possible reuse.
- Clean all of the plastic gaging material from the bearing shells and camshaft journals if used parts are to be reused.
- Remove all of the Gasket Eliminator from both the cylinder head and camshaft caps.
- Install the camshaft to its normal position in the bearing saddles. Install the No. 1 and 5 camshaft caps to the cylinder head.
- Install the Nos. 1 and 5 camshaft cap outboard bolts and inboard studs and torque both to 101-116 N·m (75-86 lb·ft). Use tool J 36003-A to tighten the studs.
- Using a dial indicator with magnetic base, check the run-out of the camshaft at the No. 3 bearing journal. See Figure "Camshaft Run-out" .
- If camshaft run-out exceeds 0.050 mm (0.002 in.), replace the camshaft.

Figure 18. Checking Camshaft Lobe Wear
Note: If one camshaft bearing needs to be replaced, replace all of the camshaft bearing shells.
Note: Check camshaft bearing clearance with bearing shells, camshaft, bearing caps and rocker arm shafts (without rocker assemblies in place) installed, and cap bolts, studs and nuts tightened to specification.

Figure 19. Camshaft Bearing Clearance Setup

Figure 20. Camshaft Run-out
Section 1.22.4
Assembly of Camshaft and Camshaft Bearings
Refer to "1.24.3 Installation of Camshaft Drive Gear" for assembly of camshaft drive gear, camshaft hub and thrust plate assembly.
Section 1.22.5
Installation of Camshaft and Camshaft Bearing
Install the camshaft and camshaft bearings as follows:
- Coat the lower camshaft bearing shells with clean engine lubricating oil, and install them to their original positions. Note the position of oil holes and locating tangs.
Note: If new bearings are to be installed, the upper and lower shells MUST be replaced as a set.

EYE INJURY
To avoid injury from flying debris when using compressed air, wear adequate eye protection (face shield or safety goggles) and do not exceed 276 kPa (40 psi) air pressure.
- When installing a new camshaft, steam clean it to remove the rust preventive and blow dry with compressed air.
- Before installing the camshaft dowel into the camshaft hub, ensure that the dimple in the thrust plate is located at the 12 o'clock position to properly position bolt holes to cam cap and cylinder head. See Figure
"Indexing Camshaft Dowel"
.

Figure 21. Indexing Camshaft Dowel
- Coat the lobes and journals of the camshaft with clean engine lubricating oil. Index the dowel pin in the camshaft with the dowel hole in the camshaft hub.
- Lower the camshaft into position and slide the camshaft forward, making certain that the camshaft dowel indexes with its mating hole in the camshaft thrust plate hub.
- Install the upper bearing shells to the No. 1, 3 and 5 camshaft caps, noting the position of the oil holes and locating tangs.
NOTICE:
Do not apply oil to the No. 1 or No. 5 camshaft bearing shells. These shells must be clean and dry for proper sealant application. Applying oil to the No. 1 or No. 5 shells may result in oil leakage from the camshaft bearing caps.
Note: The camshaft will still have adequate clearance from the No. 1 and No. 5 shells due to the oil film thickness on bearings 2 through 4.
- Coat the No. 2 through No. 4 bearing shells with clean engine lubricating oil.
- For engines built prior to S/N 4R0028789, install the two square cut seals to the counterbores in the cylinder head at the No. 1 and 5 camshaft cap locations. Before assembling the camshaft caps to the cylinder head, verify the two seals are in place on the cylinder head.
NOTICE:
For engines built prior to S/N 4R0028789, Gasket Eliminator P/N 23523064 must be kept from the bearing shell sets and bearing surfaces. Gasket Eliminator cures with the absence of air. The length of time between installation of the No. 1 and 5 camshaft caps and torquing the camshaft cap bolts and nuts should be kept to a minimum, or improper lubrication will result, causing engine damage.

EYE INJURY
To avoid injury from flying debris when using compressed air, wear adequate eye protection (face shield or safety goggles) and do not exceed 276 kPa (40 psi) air pressure.
NOTICE:
Always blow out the cam cap bolt holes in the cylinder head before applying sealant and installing the cam cap. Failure to observe this step may cause lubricating oil trapped in the holes to push the sealant away from the cap when bolts are installed, resulting in a leak path.
- Install the two rubber O-rings to the counterbores in the cylinder head at the No. 1 and 5 camshaft cap locations. Before assembling the camshaft caps to the cylinder head, the two O-rings are in place on the cylinder head.
NOTICE:
Gasket Eliminator must be kept from the bearing shell sets and bearing surfaces. Gasket Eliminator cures with the absence of air. The length of time between installation of the No. 1 and 5 camshaft caps, and torquing the camshaft cap bolts and nuts should be kept to a minimum or improper lubrication will result causing engine damage.
- Clean and dry the camshaft bearing cap joint face surfaces as well as the portions of the cylinder head face that the caps mate with. These areas must be clean and dry for proper sealant adhesion. Use LPS, Permatex, or an equivalent non-filming degreaser.
- For engines built after 4R0028788, use P/N 23525918 or 23525919 in the diagonal groove cuts of the front bearing cap only.
- For engines built prior to unit number 4R0028789 apply gasket eliminator P/N 23523064, or equivalent to the joint face surfaces of the No. 1 and 5 camshaft caps. See Figure
"Gasket Eliminator Application (Camshaft Bearing Cap)"
.

Figure 22. Gasket Eliminator Application (Camshaft Bearing Cap)
- Install the No. 1, 3 and 5 camshaft caps, with bearing shells in place, to their respective locations.
- Install and torque the two inboard studs and outboard bolts on bearing caps No. 1 and 5 to 126-146 N·m (93-108 lb·ft). Use tool J 36003-A to tighten the bearing cap studs.
- Install the No. three bearing cap outboard bolt and torque it to 126-146 N·m (93-108 lb·ft).
- Remove the three bolts holding the camshaft gear pilot, J 35906–6
, to the gear case. Remove the camshaft gear pilot.
NOTICE:
Use care to ensure that the camshaft dowel is not disengaged during this step or damage to engine may result.
- Working through the camshaft drive gear access hole in the front of the gear case, tap the center of the camshaft drive gear with a fiber mallet or plastic hammer to move the camshaft thrust plate, hub and camshaft drive gear rearward in the gear case until the camshaft thrust plate bolts can be started in the cylinder head and No. 1 camshaft cap.
NOTICE:
Using care to prevent dropping thrust plate mounting bolts into the gear case. If not removed, fasteners dropped into the gear case can cause severe engine damage at start-up.
- Install the thrust plate mounting bolts through the thrust plate and into the cylinder head and No. 1 camshaft cap. Using a 13 mm socket and ratchet, tighten the bolts alternately and progressively to draw the thrust plate straight into the gear case. Torque the bolts to 30-38 N·m (22-28 lb·ft).
NOTICE:
Always use new bolts when replacing the camshaft hub. Camshaft hub retaining bolts are considered single-use items and cannot be reused, regardless of apparent condition. Reusing these bolts may result in excessive bolt stretch, which could lead to loss of bolt torque, hub loosening, and severe engine damage.
Note: Ensure any residual oil is removed from the dowel face of the camshaft and mating hub before installing the drive gear.
- Coat the threads and underside of the head of the camshaft drive gear-to-camshaft bolt with International Compound #2®. Install the bolt to the camshaft, finger-tight.
Note: The camshaft should be held in place while starting the camshaft drive gear-to-camshaft bolt, to prevent disengaging the camshaft dowel from the thrust plate hub and requiring disassembly and timing of camshaft.
- Insert the shoe of the camshaft drive gear torque holding tool through a lightening hole of the camshaft drive gear.
NOTICE:
Only camshaft drive gear torque holding tool, J 35652-A part of J 35652 , should be used to hold the camshaft drive gear stationary while loosening or tightening the camshaft drive gear-to-camshaft bolt to prevent component damage.
- Bar the engine over slightly to position the camshaft drive gear holding tool so that the bolt holes in the holding tool align with the access cover bolt holes in the gear case cover using the 3/4 in. square hole in the center of the crankshaft pulley to bar the engine over.
- Install two of the access cover bolts to secure the tool to the gear case.
NOTICE:
Failure to tighten the camshaft hub retaining bolt to the required torque may result in bolt loosening during engine operation, which may lead to camshaft alignment pin damage, altered engine timing, and erratic engine operation.
- Using a 27 mm impact socket and suitable torque wrench, torque the camshaft drive gear-to-camshaft bolt to 75 N·m (55 lb·ft). See Figure
"Camshaft Drive Gear-to-Camshaft Bolt Tightening"
.

Figure 23. Camshaft Drive Gear-to-Camshaft Bolt Tightening
- Turn the bolt an additional 120 degrees. See Figure
"Torque Turn Limits — Camshaft Drive Gear-to-Camshaft Bolts"
.

Figure 24. Torque Turn Limits — Camshaft Drive Gear-to-Camshaft Bolts
- Remove the camshaft drive gear torque holding tool, J 35652-A part of J 35652 .
- Adjust the camshaft drive gear-to-adjustable idler gear lash. Refer to "1.21.2.1 Check Engine Timing"
.
Note: Correct camshaft drive gear lash adjustment depends on the bolt and stud for No. 1 and 5 camshaft caps, the outboard bolt on No. 3 camshaft cap, and the camshaft drive gear-to-camshaft retaining bolt being tightened to the specified torque. However, the valve and injector spring pressures will not allow correct camshaft rotation. Therefore, do NOT install the rocker arm shaft assemblies before the camshaft gear lash has been measured and adjusted.
Section 1.22.5.1
Test of Camshaft End-play
Measure the camshaft end-play, using a dial indicator and magnetic base, as follows:
- Install the dial indicator so that the pointer is in contact with either the camshaft drive gear-to-camshaft retaining bolt, or at the rear end of the engine, in contact with the end of the camshaft. See Figure
"Camshaft End Play"
.

Figure 25. Camshaft End Play
- Grasp the camshaft between the numbers one and three camshaft caps, and move the cam as far forward as possible. Zero the dial indicator.
- Move the camshaft as far as possible, to the rear. Read and record the total amount of end-play as indicated.
- Allowable camshaft end-play is 0.076-0.381 mm (0.003-0.015 in.).
- If the end-play is beyond the maximum limit, loosen and retorque the camshaft drive gear-to-camshaft retaining bolt, and the camshaft thrust plate retaining bolts, to ensure that the camshaft thrust plate is seated properly in the gear case.
- If the end-play is still beyond the maximum limit, remove and replace the camshaft thrust plate. Refer to "1.24.2 Removal of Camshaft Drive Gear" and refer to "1.24.3 Installation of Camshaft Drive Gear" .
Section 1.22.6
Installation of Camshaft and Camshaft Bearing
Continue installing camshaft and camshaft bearings as follows:
- Install the bearing shells to the remaining No. 2 and 4 camshaft caps, noting the oil holes and locating tangs.
- Coat the bearing shells with clean engine lubricating oil.
- Install the remaining camshaft caps to their saddles on the cylinder head. Install the four outboard camshaft cap bolts for caps No. 2 and No. 4 finger tight.
- If they were removed, install the adjusting screws, valve buttons and clips to the rocker arms.
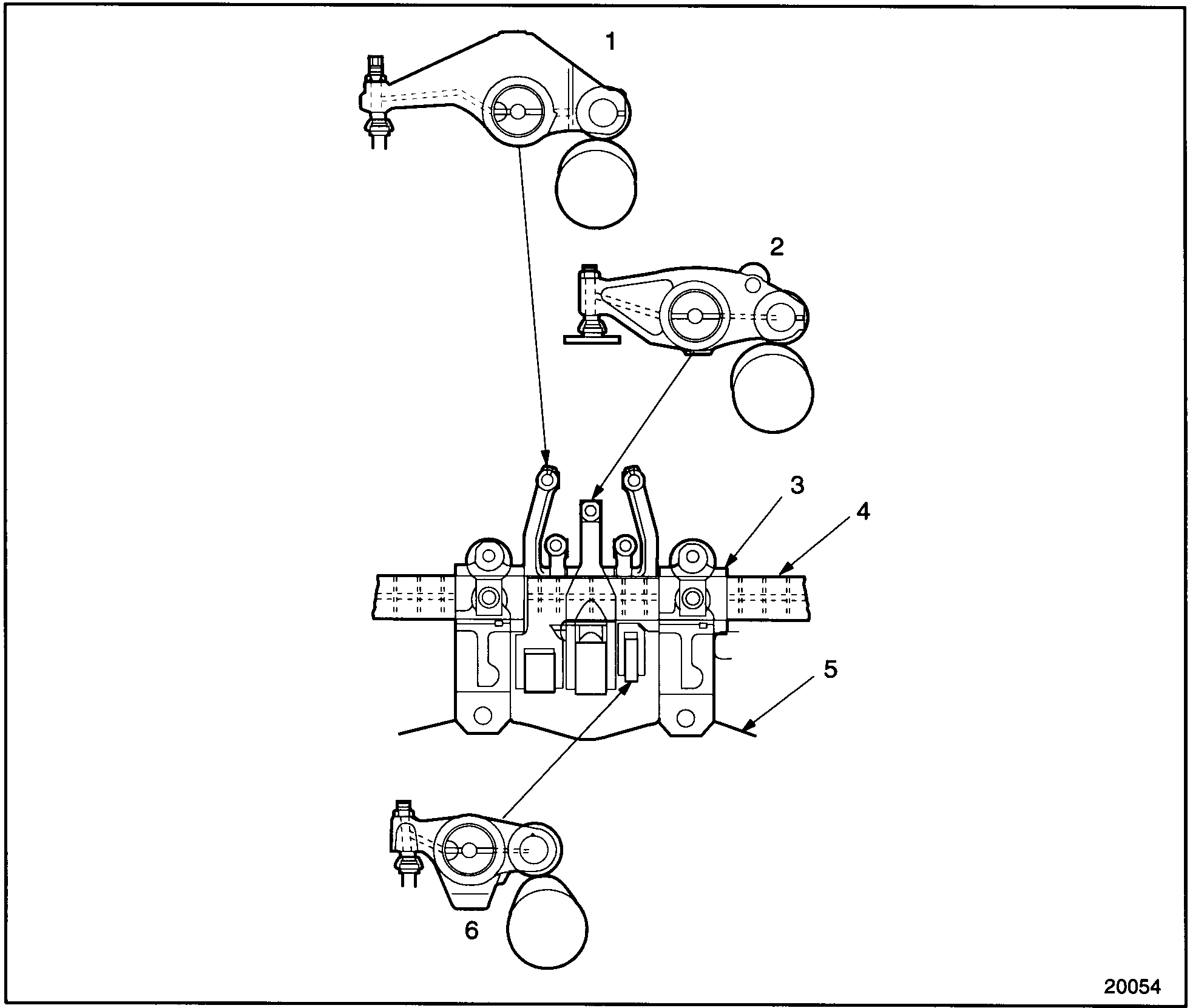
- Install the rocker arms to the rocker arm shafts in their original positions. Use the rocker arm identification marks to ensure correct component installation. See Figure
"Rocker Arm Installation"
.

Figure 26. Rocker Arm Installation
- Coat the rocker arm assemblies and camshaft liberally with clean engine lubricating oil.
- Install the rocker arm shaft assemblies to the cylinder head. See Figure "Rocker Arm Installation" . Use care to locate the valve buttons to their respective valve stem and injector followers.
- Install the remaining inboard camshaft cap bolts and spacers through the rocker arm shafts and into No. 2, 3, and 4 camshaft caps. Install the two nuts and spacers to the studs at No. 1 and No. 5 camshaft caps. Torque bolts to 101-116 N·m (75-85 lb·ft).
- Torque the 9 camshaft cap bolts and two nuts to 101-116 N·m (75-85 lb·ft) using the sequence. See Figure
"Camshaft Cap and Rocker Arm Shaft Bolt and Nut Torque Sequence"
.
Note: It is not necessary to tighten bolts 7 and 10, if a Jake Brake is to be installed.
Note: Jake Brakes are not on a natural gas engine.

Figure 27. Camshaft Cap and Rocker Arm Shaft Bolt and Nut Torque Sequence
- Clean all old gasket material from the mating surfaces of the rear camshaft cover and the cylinder head.
- Apply a thin 1.5 mm (1/16 in.) bead of Gasket Eliminator, PT 7276 (Loctite 51580) or equivalent to the mating surface of the cover.
- Install the cover and torque the three bolts to 30-38 N·m (22-28 lb·ft).
- Clean all old gasket material from the mating faces of the camshaft drive gear access cover and the gear case cover.
- Insert a new gasket between the camshaft drive gear access cover and the gear case.
- Torque the bolts to 30-38 N·m (22-28 lb·ft) using the tightening sequence. See Figure
"Camshaft Drive Gear Access Cover"
.

Figure 28. Camshaft Drive Gear Access Cover
- Adjust the intake and exhaust valve clearances and set the injector heights. Refer to "12.2 Valve Lash, Injector Height (Timing) and Jake Brake
® Lash Adjustments" . - Install the rocker cover. Refer to "1.6.6 Pre-installation of Rocker Cover Base" .
- Install the fan hub, refer to "4.5.5 Installation of the Engine Cooling Fan" , fan and drive belts. Refer to "13.5.7 Drive Belts" .
- Install any other components that were removed for this procedure.
Section 1.22.6.1
Test of Camshaft Timing on Diesel Engines
Check the camshaft timing as follows:
NOTICE: |
|
The camshaft must be in time with the crankshaft. An engine which is " out of time" may result in pre-ignition, uneven running or a loss of power. |
- Remove the rocker cover. Refer to "1.6.2 Cleaning and Removing of Two-piece Rocker Cover-Diesel Engines Only" .
- Select any cylinder for the timing check.
- Remove the rocker arm assembly for the cylinder selected. Refer to "1.3.2 Removal of Rocker Arm Assembly" .
- Remove the injector for that cylinder. Refer to "2.3.2 Removal of Unit Injector" .
- Carefully slide a rod, approximately 30 mm (12 in.) long, through the injector tube hole until the end of the rod rests on top of the piston.
- Turn the crankshaft slowly in the direction of engine rotation. Stop when the rod reaches the end of its upward travel.
Note: The cylinder selected must be on the compression stroke when performing this check.
- Remove the rod and turn the crankshaft, opposite the direction of rotation, between 1/16 and 1/8 of a turn.
- Select a dial indicator with 0.01 mm (0.001 in.) graduations and a spindle movement of at least 25 mm (1 in.). Provide an extension for the indicator spindle. The extension must be long enough to contact the piston just before it reaches the end of its upward stroke.
- Install a magnetic dial indicator base in a suitable place on the cylinder head and position the dial indicator over the injector hole tube.
- Attach a suitable pointer to the gear case cover. The outer end of the pointer should extend over the vibration damper.
- Turn the crankshaft slowly in the direction of engine rotation until the indicator hand just stops moving. Continue turning the crankshaft until the indicator hand starts to move again.
- Reset the dial to zero.
- Turn the crankshaft until the indicator reading is 0.25 mm (0.010 in.).
- Scribe a line on the vibration damper in line with the end of the pointer.
- Slowly turn the crankshaft opposite the direction of engine rotation until the indicator hand just stops moving. Continue turning the crankshaft until the indicator hand starts to move again.
- Reset the dial to zero.
- Then turn the crankshaft in the same direction until the indicator reading is 0.25 mm (0.010 in.).
- Scribe a second line on the vibration damper in line with the end of the pointer.
- Scribe a third line half way between the first two lines. This is top dead center for the cylinder selected when the pointer is lined up with it.
- Remove the dial indicator and base from the engine.
- Install the injector that was removed. Refer to "2.3.5 Installation of the Electronic Unit Injector" .
- Install the rocker arm shaft assembly assembly. Refer to "1.3.4 Installation of Rocker Arm Shaft Assembly" .
- Turn the crankshaft opposite the direction of engine rotation while watching the injector rocker arm cam follower for the cylinder selected. Turn the crankshaft until the cam follower is on the base circle of the injector lobe of the cam.
- Install a magnetic dial indicator base on the cylinder head. Install a dial indicator so that the spindle rests directly on the injector cam follower roller for the cylinder selected.
Note: The spindle should be on the center line of the injector cam follower roller pin in order to get an accurate measurement of cam lift.
- Turn the crankshaft slowly, in the direction of engine rotation, until the center mark on the vibration damper lines up with the pointer.
- The correct indicator reading is 4.39 mm (0.173 in.) to 5.46 mm (0.215 in.) for diesel engines.
- If the cam lift is incorrect, retime the engine. Refer to "1.21.2.1 Check Engine Timing" .
Section 1.22.6.2
Test of Camshaft Timing on Natural Gas Engines
Check the camshaft timing as follows:
NOTICE: |
|
The camshaft must be in time with the crankshaft. An engine which is " out of time" may result in pre-ignition, uneven running or a loss of power. |
- Remove the rocker cover. Refer to "1.6.2 Cleaning and Removing of Two-piece Rocker Cover-Diesel Engines Only" .
- Select any cylinder for the timing check.
- Remove the rocker arm assembly for the cylinder selected. Refer to "1.3.2 Removal of Rocker Arm Assembly" .
- Remove the spark plug for that cylinder.
Note: The S50G does not contain an injector lobe like the diesel does, remove the spark plug.
- Carefully slide a rod, approximately 30 mm (12 in.) long, through the spark plug hole until the end of the rod rests on top of the piston.
- Turn the crankshaft slowly in the direction of engine rotation. Stop when the rod reaches the end of its upward travel.
Note: The cylinder selected must be on the compression stroke when performing this check.
- Remove the rod and turn the crankshaft, opposite the direction of rotation, between 1/16 and 1/8 of a turn.
- Select a dial indicator with 0.01 mm (0.001 in.) graduations and a spindle movement of at least 25 mm (1 in.). Provide an extension for the indicator spindle. The extension must be long enough to contact the piston just before it reaches the end of its upward stroke.
- Install a magnetic dial indicator base in a suitable place on the cylinder head and position the dial indicator over spark plug hole tube.
- Attach a suitable pointer to the gear case cover. The outer end of the pointer should extend over the vibration damper.
- Turn the crankshaft slowly in the direction of engine rotation until the indicator hand just stops moving. Continue turning the crankshaft until the indicator hand starts to move again.
- Reset the dial to zero.
- Turn the crankshaft until the indicator reading is 0.25 mm (0.010 in.).
- Scribe a line on the vibration damper in line with the end of the pointer.
- Slowly turn the crankshaft opposite the direction of engine rotation until the indicator hand just stops moving. Continue turning the crankshaft until the indicator hand starts to move again.
- Reset the dial to zero.
- Then turn the crankshaft in the same direction until the indicator reading is 0.25 mm (0.010 in.).
- Scribe a second line on the vibration damper in line with the end of the pointer.
- Scribe a third line half way between the first two lines. This is top dead center for the cylinder selected when the pointer is lined up with it.
- Remove the dial indicator and base from the engine.
- Install the spark plug that was removed.
- Install the rocker arm shaft assembly assembly. Refer to "1.3.4 Installation of Rocker Arm Shaft Assembly" .
- Turn the crankshaft opposite the direction of engine rotation while watching the intake rocker arm cam follower for the cylinder selected. Turn the crankshaft until the cam follower is on the base circle of that intake lobe of the cam.
- Install a magnetic dial indicator base on the cylinder head. Install a dial indicator so that the spindle rests directly on the intake cam follower roller for the cylinder selected.
Note: The spindle should be on the center line of the intake cam follower roller pin in order to get an accurate measurement of cam lift.
- Turn the crankshaft slowly, in the direction of engine rotation, until the center mark on the vibration damper lines up with the pointer.
- Check the dial indicator reading and compare the reading with the values listed in Table
"Camshaft Timing Setting Dimensions"
to determine the correct indicator reading.
ENGINE
DDEC VERSION
MODEL
CAMSHAFT PART NO.
MODEL YEAR
LOW INJECTOR CAM ROLLER LIFT AT TDC
HIGH INJECTOR CAM ROLLER LIFT AT TDC
8.5 L
IV
TK
23522197
1998
5.54 mm (0.218 in.)
6.60 mm (0.260 in.)
8.5 L
II OR III
GU, GK
23511364
1993-1997
5.21 mm (0.205 in.)
6.27 mm (0.247 in.)
8.5 L
IV
MK, MKE
23524916
1999-2002
4.92 mm (0.194 in.)
5.99 mm (0.236 in.)
8.5 L
IV
MK, MKE
23527029
1999-2002
5.02 mm (0.198 in.)
6.09 mm (0.240 in.)
Table 22. Camshaft Timing Setting Dimensions - If the cam lift is not within the figureslisted in Table "Camshaft Timing Setting Dimensions" , retime the engine. Refer to "1.21.2.1 Check Engine Timing" .
| Series 50 Service Manual - 6SE50 |
| Generated on 10-13-2008 |