Section 8.3
Battery Charging Alternator
The battery charging alternator provides a source of electrical current for maintaining the storage battery in a charged condition and supplies sufficient current to carry any other electrical load requirements up to the rated capacity of the alternator.
The battery charging circuit consists of an alternator, a voltage regulator, a battery(s) and the connecting wiring. See Figure "Typical Alternator and Related Parts Location" , for parts of the battery charging alternator.

|
1. Nut (2) |
8. Bolt, Adjusting Rod-to-Engine |
|
2. Nut |
9. Pulley, Alternator Drive |
|
3. Alternator |
10. Locknut |
|
4. Bolt, Alternator-to-Adjusting Rod |
11. Bolt, Alternator-to-Mounting Bracket |
|
5. Washer |
12. Mounting Bracket |
|
6. Alternator Adjusting Rod |
13. Bolt, Mounting Bracket-to-Engine (2) |
|
7. Nut |
14. Drive Belts |
Figure 1. Typical Alternator and Related Parts Location
The alternator used on the Series 50 automotive engine is a bracket-mounted, alternating current (AC), self-rectifying unit. See Figure "Former Series 50 Coach Alternator Mounting" for former alternator mounting. See Figure "Current Series 50 Coach Alternator Mounting " for current alternator mounting.

|
1. Tensioner Assembly |
4. Oil Drain Tube |
|
2. Vent Hose |
5. Bracket Support |
|
3. Alternator |
Figure 2. Former Series 50 Coach Alternator Mounting

|
1. Auto Belt Tensioner |
4. Oil Drain Tube |
|
2. Vent Hose |
5. Bracket Support |
|
3. Alternator |
Figure 3. Current Series 50 Coach Alternator Mounting
NOTICE: |
|
Mixing an improved tensioner assembly, support plate, or tensioner adjusting bolt with a former tensioner assembly, support plate, or tensioner adjusting bolt may result in alternator drive belt damage and loss of electrical power to the vehicle. |
In 1995, the former 50 DN alternator drive system replaced the early 50 DN alternator drive system previously used on Series 50 coach engines. See Figure "Alternator Drive System" . The changes to the drive system took effect with the engine serial numbers listed in Table "Effectivity of Improved 50 DN Alternator Drive System Changes" .

|
1. Drive Belt |
4. Alternator Drive Pulley |
|
2. Accessory Drive Pulley |
5. Crankshaft Pulley |
|
3. Auto Tensioner |
Figure 4. Alternator Drive System
|
Change |
Engine Serial Number |
Build Date |
|
Alternator Pulley |
4R-12386 |
Nov. 27, 1995 |
|
Acc. Drive Assembly |
4R-12647 |
Dec. 14, 1995 |
|
Tensioner/Support Plate |
4R-12853 |
Dec. 20, 1995 |
The former 50 DN alternator drive system includes a new tensioner assembly, support plate, tensioner adjusting bolt, alternator pulley, and alternator drive assembly. The top pulley of the tensioner assembly is the same size as the bottom pulley 127 mm (5 in.). All pulleys in the system have front and back flanges to insure proper belt positioning during assembly and improved belt tracking during engine operation.
The former and early tensioner assembly, support plate, and tensioner adjusting bolt are not separately interchangeable on a part-for-part basis and cannot be mixed on an engine.
To simplify installation of the 50 DN alternator drive belt and ensure proper running tension throughout drive belt life, an auto belt tensioner assembly and idler assembly replaced the former tensioner/support plate assembly on December 15, 1997. See Figure "Current Series 50 Coach Alternator Mounting " . Use of the auto tensioner eliminates the need for periodic belt tension inspection. Only the current auto belt tensioner assembly and idler assembly are used on engines with 50 DN alternators.
Effective June 2000, the No. 4 size vent hose on the 50DN alternator was replaced by a No. 6 braided hose to improve venting of the alternator and extend alternator life. In addition, the vent line connection point on the engine was moved from a tapped hole in the gear case to a tapped hole in the auto belt tensioner mounting plate.
On engines equipped with the SI series Delco-Remy alternators, the voltage regulator is typically electronic and is located inside the alternator. Refer to the appropriate manufacturer's service instructions for complete regulator and alternator servicing information.
The Series 50 alternator is front mounted and belt driven using the accessory drive pulley. The accessory drive pulley is gear driven by the bull gear. Refer to "1.29 Accessory Drive" for accessory drive information.
Section 8.3.1
Replacement of Alternator
Refer to the OEM guidelines for alternator service procedures.
Section 8.3.2
Cleaning and Removal of Alternator
Precleaning is not necessary.
Remove the alternator as follows:
|
PERSONAL INJURY |
|
To avoid injury from accidental engine startup while servicing the engine, disconnect/disable the starting system. |
|
PERSONAL INJURY |
|
To avoid injury from hot surfaces, wear protective gloves, or allow engine to cool before removing any component. |
- Disconnect the cables at the batteries. Tag each lead to ensure correct connection when the alternator is reinstalled.
- If the alternator has more than the output cable lead, disconnect all other leads from the alternator, and tag each one to ensure correct installation.
- Remove the alternator output cable.
- If alternator is oil cooled, disconnect the oil supply, return, and vent lines.
- Loosen the alternator mounting bolts and adjusting rod nut to allow slack in the drive belt(s). If an auto belt tensioner assembly is installed, use a breaker bar with a 3/4 inch drive to rotate the tensioner pulley upward to relieve belt tension.

EYE INJURY
To avoid injury from flying parts when working with components under spring tension, wear adequate eye protection (face shield or safety goggles).
- Remove the drive belt(s).
- While supporting the alternator, remove the adjusting rod bolt and hardened washer.
- Loosen and remove the nut and washer at the rear alternator mounting flange.
- While supporting the alternator, remove the alternator-to-bracket bolt to prevent it from falling.
- Remove the two woodruff keys, if equipped.
- Remove and retain the alternator pulley locknut, alternator pulley, and fan from the unit. See Figure "Typical Alternator and Related Parts Location" .
Section 8.3.2.1
Inspection of Alternator
Refer to OEM guidelines for alternator service procedures.
Section 8.3.3
Installation of Alternator
Install alternator as follows:
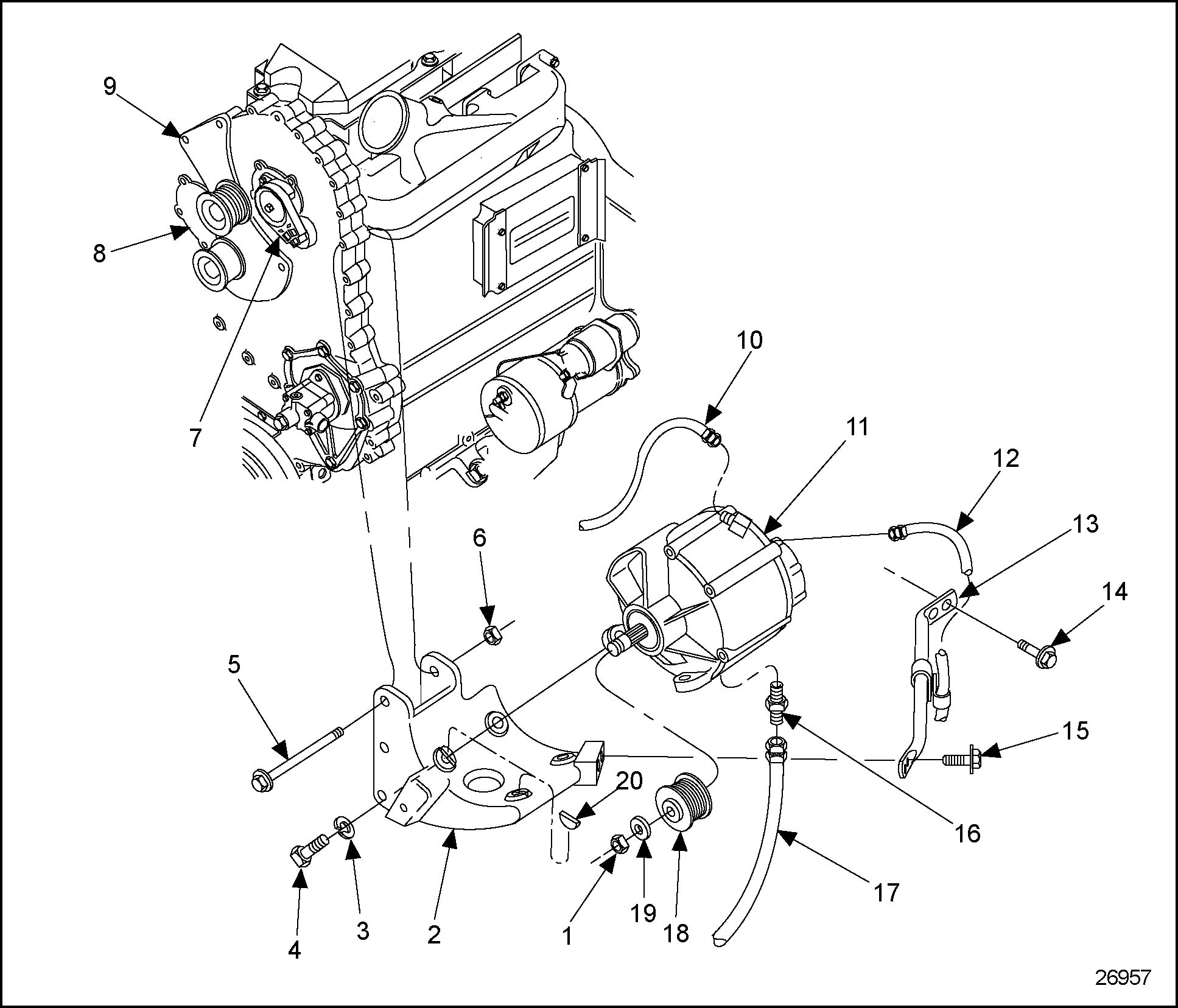
- Install alternator mounting bracket to the gear case. See Figure
"Series 50 Coach Alternator and Related Parts (Vertical ECM)
"
(vertical ECM) or see Figure
"Series 50 Coach Alternator and Related Parts (Horizontal ECM)
"
(horizontal ECM). Torque the mounting bolts to 58-73 N·m (43-54 lb·ft).

1. Pulley Nut
11. Alternator
2. Alternator Mounting Bracket
12. Oil Supply Tube
3. Washer (4)
13. Alternator Support Bracket
4. Bolts, Bracket to Alternator (4)
14. Bolt, Support to Block (2)
5. Bolt, Bracket to Front Cover (3)
15. Bolt, Bracket Support (2)
6. Nut (3)
16. Oil Drain Tube Connector
7. Auto Tensioner
17. Oil Drain Tube
8. Idler Assembly
18. Alternator Pulley
9. Auto Tensioner Mount
19. Washer
10. Alternator Vent Hose
20. Woodruff Key (2)
Figure 5. Series 50 Coach Alternator and Related Parts (Vertical ECM)

1. Pulley Nut
11. Alternator
2. Alternator Mounting Bracket
12. Oil Supply Tube
3. Washer (4)
13. Alternator Support Bracket
4. Bolts, Bracket to Alternator (4)
14. Bolt, Support to Block (2)
5. Bolt, Bracket to Front Cover (3)
15. Bolt, Bracket Support (2)
6. Nut (3)
16. Oil Drain Tube Connector
7. Auto Tensioner
17. Oil Drain Tube
8. Idler Assembly
18. Alternator Pulley
9. Auto Tensioner Mount
19. Washer
10. Alternator Vent Hose
20. Woodruff Key (2)
Figure 6. Series 50 Coach Alternator and Related Parts (Horizontal ECM)
- If a 50 DN alternator is used, install the pulley and lock nut, if removed, to the alternator. If an air cooled alternator is used, install the fan, drive pulley and locknut, if removed, to the alternator. Torque the pulley retaining nut to 315 N·m (225 lb·ft).
- If the pulley was not removed, check the retaining nut for proper torque. Torque the retaining nut to 315 N·m (225 lb·ft), as necessary.
- If the pulley was removed during disassembly, install two woodruff keys in mounting brackets.
-
Position the alternator on the mounting bracket, and align the holes in the alternator mounting flanges with those in the bracket support.
Note: There are two holes in the front alternator end frame mounting flanges. One is threaded and one is not threaded. The threaded hole is positioned up and is used to secure the alternator to the adjusting rod.
-
Install the alternator-to-bracket bolt and locknut. Insert the adjusting rod bolt, with washer installed, through the adjusting rod bracket and into the threaded hole in the alternator end frame. Tighten both bolts finger-tight. See Figure
"Typical Alternator and Related Parts Location"
.
NOTICE:
Failure to properly orient the drive belt when installing it over the pulleys may result in belt damage at engine startup.
- If alternator is oil cooled, connect the oil supply, return, and vent lines.
-
Install the belt carefully over the crankshaft or accessory drive pulley, the idler pulleys (if installed), and alternator drive pulley on the engine. If an auto belt tensioner is installed, use a breaker bar with a 3/4 inch drive to rotate the tensioner pulley upward for belt installation. Ensure the grooved and smooth faces of the belt are properly positioned on the pulleys before taking up slack. See Figure
"Coach Poly-vee Belt Installation"
.

1. Drive Belt
4. Alternator Drive Pulley
2. Accessory Drive Pulley
5. Crankshaft Pulley
3. Auto Tensioner
Figure 7. Coach Poly-vee Belt Installation
- If an auto belt tensioner assembly is not installed, adjust the alternator belt tension. For twin belt-driven or single Powerband ® belt-driven alternator refer to "8.3.3.1 Checking Belt Tension on a Two-Groove Powerband® Alternator Drive" or for 12-rib poly-vee belt-driven 50 DN alternator refer to "8.3.3.2 Checking 12-Rib Poly-vee Belt-Driven 50 DN Alternator Belt Tension" .
- Torque the alternator-to-mounting bracket bolt and nut and the alternator-to-adjusting rod bracket bolt to 81-95 N·m (60-70 lb·ft).
- Attach the wires and cables to the alternator. Ensure that each one is correctly installed in the location from which it was removed. Keep all connections clean and tight.
Powerband ® is a registered trademark of the Gates Rubber Company.
Section 8.3.3.1
Checking Belt Tension on a Two-Groove Powerband®
Alternator Drive
The recommended tension for new belts is 890 N (200 lb). However, because new belts lose tension rapidly during the first few minutes of operation, it is important to check the tension after running the engine for 10 to 15 minutes. To check belt tension, use the following procedure:
NOTICE: |
|
Failure to properly orient the drive belt when installing it over the pulleys may result in belt damage at engine startup. |
|
PERSONAL INJURY |
|
To avoid injury before starting and running the engine, ensure the vehicle is parked on a level surface, parking brake is set, and the wheels are blocked. |
- Tension the new drive belts to 890 N (200 lb) using Kent-Moore® belt tension gage, BT-3386-WE-75-225-2/V-1.1.3-31-R-P, or equivalent.

PERSONAL INJURY
Diesel engine exhaust and some of its constituents are known to the State of California to cause cancer, birth defects, and other reproductive harm.
- Always start and operate an engine in a well ventilated area.
- If operating an engine in an enclosed area, vent the exhaust to the outside.
- Do not modify or tamper with the exhaust system or emission control system.
- Start and run the engine from 10 to 15 minutes to allow the belts to warm up and seat in the pulley grooves.
- Stop the engine, and allow it to cool for 10 to 15 minutes.
- Measure belt tension:
- If tension is 667 N (150 lb) or more, no re-tensioning is required.
- If tension is less than 667 N (150 lb), re-tension the belt to 667 N (150 lb).
- Check belt tension every 100 hours or 7,500 miles (12,000 km). Refer to "13.5.7 Drive Belts" and re-tension belt to 667 N (150 lb), if necessary.
Kent-Moore ® is a registered trademark of the SPX Corporation.
Section 8.3.3.2
Checking 12-Rib Poly-vee Belt-Driven 50 DN Alternator Belt Tension
The recommended tension for a new 12-rib poly-vee belt is 1558 N (350 lb). However, because a new belt loses tension rapidly during the first few minutes of operation, it is important to check the tension after running the engine for 30 minutes. To check belt tension, use the following procedure:
NOTICE: |
|
Failure to properly orient the drive belt when installing it over the pulleys may result in belt damage at engine startup. |
|
PERSONAL INJURY |
|
To avoid injury before starting and running the engine, ensure the vehicle is parked on a level surface, parking brake is set, and the wheels are blocked. |
- Tension the new poly-vee drive belt to 1558 N (350 lb) using Kent-Moore belt tension gage, J 41251-B
, or equivalent. Refer to "13.5.7 Drive Belts"
for poly-vee belt tension gage usage procedure.

PERSONAL INJURY
Diesel engine exhaust and some of its constituents are known to the State of California to cause cancer, birth defects, and other reproductive harm.
- Always start and operate an engine in a well ventilated area.
- If operating an engine in an enclosed area, vent the exhaust to the outside.
- Do not modify or tamper with the exhaust system or emission control system.
- Start and run the engine for 30 minutes to allow the belts to warm up and seat in the pulley grooves.
- Stop the engine, and allow it to cool for 30 minutes.
- Measure belt tension:
- If tension is 1115 N (250 lb) or more, no tensioning is required.
- If tension is less than 1115 N (250 lb), adjust belt tension to 1115 N (250 lb).
- Check belt tension every 100 hours or every 7,500 miles (12,000 km), refer to "13.5.7 Drive Belts" and re-tension to 1115 N (250 lb), if necessary.
Powerband ® is a registered trademark of the Gates Rubber Company. Kent-Moore ® is a registered trademark of the SPX Corporation.
Section 8.3.3.3
50 DN Alternator Vent Line
Delco 50DN alternators are oil cooled and require an oil supply line from a port on the side of the engine block, an oil drain line from the bottom of the alternator to the oil pan or block, and a vent line to keep the oil within the alternator at an acceptable level and avoid overheating. The original vent line was a No. 4 hose connected between the top of the alternator and a tapped hole in the back of the gear case. Effective June 2000, the former vent line was replaced by a No. 6 braided hose connected between the orifice on top of the alternator and a tapped hole in the mounting plate for the auto belt tensioner assembly. See Figure "Vent Line Installed in Auto Tensioner Mounting Plate " . The larger diameter hose provides improved venting and helps eliminate the potential for vent line plugging, which could lead to insufficient cooling of alternator components and shortened alternator life.

|
1. Auto Tensioner Assembly |
4. Vent Line, Alternator |
|
2. Mounting Plate, Auto Tensioner Assembly |
5. Clip, Hose |
|
3. Connector, 3/8 in. flared to 1/4 in. NPTF, straight |
|
Figure 8. Vent Line Installed in Auto Tensioner Mounting Plate
INSTALLATION OF THE IMPROVED VENT LINE
The improved vent line is installed between the alternator case and the drive belt auto-tensioner mounting plate on the gear case cover. Existing Series 50 engines with auto tensioner assemblies and engines with former manual drive belt tensioner assemblies may be modified to accept the improved vent line. Use the following procedures:
|
PERSONAL INJURY |
|
To avoid injury from accidental engine startup while servicing the engine, disconnect/disable the starting system. |
|
PERSONAL INJURY |
|
To avoid injury from hot surfaces, wear protective gloves, or allow engine to cool before removing any component. |
Installation of Vent Line in Drive Belt Auto Tensioner Assembly Mounting Plate
On engines with current drive belt auto tensioner assemblies, install the improved vent line between the alternator and the tensioner mounting plate as follows:
- With the engine at ambient temperature and cool to the touch, remove and discard the former alternator vent line. Plug the vent line hole at the back of the gear case with a 1/4 in. NPTF square socket head pipe plug.
- Remove the former vent fitting from the top of the alternator case.
- Install the 3/8 in. flared to 1/4 in. NPTF, 90 degree elbow into the top of the alternator case.
- Refer to "8.3.2 Cleaning and Removal of Alternator" to remove the alternator drive belt.
- Remove the drive belt auto tensioner assembly from the mounting plate on the gear case cover.
- Remove the mounting plate from the gear case cover.
- Drill a 0.425 in. diameter hole on the left side of the mounting plate and thread with a 1/4 in. NPTF - 4FF tap. See Figure
"Location of Drilled and Tapped Vent Line Hole in Auto Tensioner Mounting Plate
"
for hole location.

Figure 9. Location of Drilled and Tapped Vent Line Hole in Auto Tensioner Mounting Plate
- Clean the plate carefully to remove all drill chaff.
- Using a new gasket, install the plate onto the gear case cover.
- Install the auto tensioner assembly onto the mounting plate.
-
Apply DDC®/Loctite® pipe sealant with Teflon® P/N 23509542, or equivalent, to the 3/8 in. flared to 1/4 in. NPTF straight fitting and install into the mounting plate. Attach the improved vent line and tighten securely.
NOTICE:
Do not drill the engine lifter bracket to install a hose clip, since this will weaken the bracket.
NOTICE:
Do not fasten the hose clip to either of the engine lifter bracket mounting bolts. The hose clip must be attached to the bolt on the right side of the lifter bracket to ensure unrestricted air flow through the vent line.
-
To prevent sags and low points, secure the vent line with the hose clip. Remove the gear case cover mounting bolt on the right side of the lifter bracket (bolt No. 12 – see Figure
"Gear Case Cover Mounting Bolt Locations
"
). Attach the hose clip to the bolt, reinstall, and torque the bolt to 58 –73 N·m (43 – 54 lb·ft).

Figure 10. Gear Case Cover Mounting Bolt Locations
- Refer to "8.3.3 Installation of Alternator" to install the alternator drive belt.
- Reconnect starting power, start the engine, and check for proper vent line operation.
Installation of Vent Line in Front Camshaft Cover on Engines with Former Manual Belt Tensioner Assembly
On engines equipped with the former manual belt tensioner assembly, the front camshaft cover is situated behind the tensioner assembly, requiring its removal. Install the improved vent line on these engines as follows:
|
PERSONAL INJURY |
|
To avoid injury from accidental engine startup while servicing the engine, disconnect/disable the starting system. |
|
PERSONAL INJURY |
|
To avoid injury from hot surfaces, wear protective gloves, or allow engine to cool before removing any component. |
- With the engine at ambient temperature and cool to the touch, remove and discard the former alternator vent line. Plug the vent line hole at the back of the gear case with a 1/4 in. NPTF square socket head pipe plug.
- Remove the former vent fitting from the top of the alternator case.
- Install the 3/8 in. flared to 1/4 in. NPTF, 90 degree elbow into the top of the alternator case.
- Refer to "8.3.2 Cleaning and Removal of Alternator" to remove the alternator drive belt.
- Remove the manual belt tensioner assembly from the gear case cover.
- Remove the front camshaft cover from the gear case cover.
- The center hole in the cover has a 1/8 in. NPTF thread which must be enlarged. Using a 0.425 in. drill bit, carefully drill out the tapped hole. Thread the hole with a 1/4 in. NPTF - 4FF tap. See Figure
"Drilled and Tapped Vent Line Hole in Front Camshaft Cover
"
.

Figure 11. Drilled and Tapped Vent Line Hole in Front Camshaft Cover
- Clean the cover carefully to remove all drill chaff.
- Using a new gasket, install the front camshaft cover onto the gear case cover.
- Apply DDC/Loctite pipe sealant with Teflon P/N 23509542, or equivalent, to the 3/8 in. flared to 1/4 in. NPTF straight fitting and install into the cover. Attach the improved vent line and tighten securely.
-
Install the manual belt tensioner assembly.
NOTICE:
Do not drill the engine lifter bracket to install a hose clip, since this will weaken the bracket.
NOTICE:
Do not fasten the hose clip to either of the engine lifter bracket mounting bolts. The hose clip must be attached to the bolt on the right side of the lifter bracket to ensure unrestricted air flow through the vent line.
- To prevent sags and low points, secure the vent line with the hose clip. Remove the gear case cover mounting bolt on the right side of the lifter bracket (bolt No. 12 – see Figure "Gear Case Cover Mounting Bolt Locations " ). Attach the hose clip to the bolt, reinstall, and torque the bolt to 58 –73 N·m (43 – 54 lb·ft).
- Refer to "8.3.3 Installation of Alternator" of the service manual and install the alternator drive belt.
- Reconnect starting power, start the engine, and check for proper vent line operation.
| Series 50 Service Manual - 6SE50 |
| Generated on 10-13-2008 |