Section 8.1
Tube and Shell Bolted Flange EGR Cooler
The primary purpose of the Tube and Shell Bolted Flange (TSBF) EGR cooler is to cool the engine exhaust gases prior to entering the intake manifold. Exhaust gas cooling is accomplished by the flow of exhaust gases through the TSBF EGR cooler tubes. The TSBF EGR cooler core then transfers the heat removed from the exhaust gases to the engine coolant. The cooled exhaust gases are then mixed with incoming air from the charge air cooler before being sent to the intake manifold.
Section 8.1.1
Removal of Tube and Shell Bolted Flange EGR Cooler
Removal steps are as follows:
Note: The following removal procedures support engines built after April 15, 2004 or engines that have had right-side kits installed.
|
PERSONAL INJURY |
|
To avoid injury from hot surfaces, wear protective gloves, or allow engine to cool before removing any component. |
- Drain the engine coolant.Refer to "14.6.4 Cooling System" .
- Remove two bolts and seal ring from water pump outlet elbow. Discard seal ring.
- Remove water pump outlet elbow from the hose on cooler water inlet.
- Remove hose and clamps from cooler water inlet.
- Loosen and slide the clamp onto hose of oil cooler water inlet.
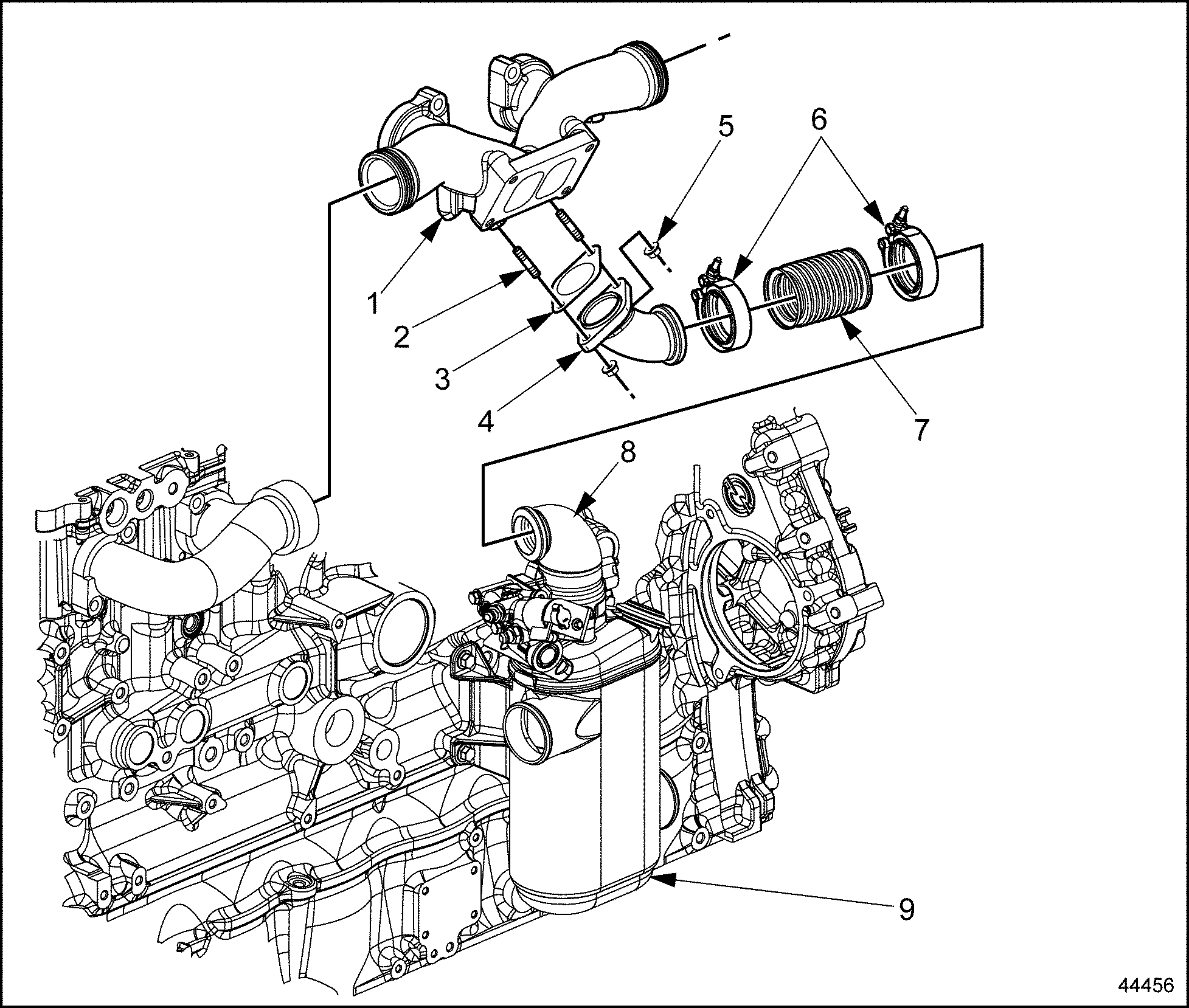
- Loosen the two clamps securing the bellow to the EGR valve assembly and upper hot pipe. See Figure
"Tube and Shell Bolted Flange EGR Cooler and Related Parts"
.

1. TSBF EGR Cooler
7 .Exhaust Manifold End Section
2. EGR Hydraulic and Pneumatic Actuator Assembly
8. Exhaust Manifold Center Section
3. Clamp
9. Exhaust Manifold Ens Section
4. Upper Hot Pipe
10. Bellow
5. Gasket
11. EGR Valve Assembly
6. Stud
12. Gasket
Figure 1. Tube and Shell Bolted Flange EGR Cooler and Related Parts
NOTICE:
The bellow is a one-time usage component, discard after removal.
- Remove the bellow and the clamps from the upper hot pipe and the EGR valve assembly. Discard the bellow. See Figure
"Tube and Shell Bolted Flange EGR Cooler and Related Parts"
.

1. Exhaust Manifold Center Section
4. Upper Hot Pipe
7. Bellow
2. Stud
5. Nut
8. EGR Valve Assembly
3. Gasket
6. Clamp
9. TSBF EGR Cooler
Figure 2. Tube and Shell Bolted Flange EGR Cooler and Related Parts
Note: Perform step 8 for hydraulically actuated EGR valves and step 9 for pneumatic actuated EGR valves.
- Remove the oil inlet fitting and the oil outlet fitting from the EGR valve and hydraulic actuator. See Figure
"Hydraulic EGR Valve Oil Inlet Line and Oil Outlet Line"
.

1. EGR Valve and Hydraulic Actuator Assembly
3. Oil Inlet Line and Fitting
2. Oil Outlet Line and Fitting
Figure 3. Hydraulic EGR Valve Oil Inlet Line and Oil Outlet Line
- Remove the air line from the pneumatic actuator assembly. See Figure
"EGR Valve and Pneumatic Actuator Assembly"
.

1. EGR Valve and Pneumatic Actuator Assembly
2. Air line
Figure 4. EGR Valve and Pneumatic Actuator Assembly
- Remove the three nuts from the studs securing the EGR valve and actuator assembly to the cooler. Remove the EGR assembly and gasket. Discard the gasket. See Figure
"EGR Valve Assembly and Related Parts"
.

1. Nut
4. Stud
2. EGR Valve and Actuator Assembly
5. TSBF EGR Cooler
3. Gasket
Figure 5. EGR Valve Assembly and Related Parts
- Remove the Delta P tubes. See Figure "Tube and Shell Bolted Flange EGR Cooler and Delivery Pipe" .
- Remove the delivery pipe clamp from the cooler outlet and then remove the delivery pipe. See Figure
"Tube and Shell Bolted Flange EGR Cooler and Delivery Pipe"
.

1. Clamp
3. EGR Cooler
2. Venturi-Section
4. Air Lines
Figure 6. Tube and Shell Bolted Flange EGR Cooler and Delivery Pipe

PERSONAL INJURY
To avoid injury when removing or installing a heavy engine component, ensure the component is properly supported and securely attached to an adequate lifting device to prevent the component from falling.
- While supporting the cooler, remove the four bolts attaching the cooler backplate to the engine block. and remove the cooler.
- Remove the hose and the clamp from the oil cooler water inlet.
Section 8.1.1.1
Inspection and Testing the Tube and Shell Bolted Flange EGR Cooler
Engines equipped with a TSBF cooler that have a coolant-lost complaint need to be inspected for leaks from other sources. The spring wire hose clamps are a possible coolant leak path, and should be inspected. If the spring wire clamps are damaged, service kits are available to replace the damaged components.
A standard test to pressurize the coolant system and investigation of overall coolant system should have been performed prior to inspecting the cooler. There may be other components of the engine that are responsible for the loss of engine coolant.
Note: Coolers with internal leaks usually show signs of a white coolant drop-out at the exhaust side of the cooler, the Delta P Sensor lines, or at the delivery pipe to intake manifold connector.
If the entire system has been tested, perform the following steps to inspect the cooler:
- Use hoses, clamps, plugs, and a regulator to seal the cooler water inlet and water outlet ports. See Figure
"EGR Cooler Ports Setup"
.

Figure 7. EGR Cooler Ports Setup
- Fill the exhaust side of the cooler with hot tap water. Allow the water to overflow until the loose carbon has floated away allowing for a clear viewing of any bubbles. See Figure
"Filling the EGR Cooler with Tap Water"
.

Figure 8. Filling the EGR Cooler with Tap Water
- Apply 207 kPa (30 psi) of regulated air to the regulator for three minutes. See Figure "EGR Cooler Ports Setup" .
- Disconnect the regulated air supply from the regulator and watch for bubbles on the exhaust side of the cooler. See Figure
"Observing the EGR Cooler for Bubbles"
.
- If bubbles were observed, replace the cooler.
- If no bubbles were observed, contact the Detroit Diesel Customer Support Center for further information (313-592-5800).

Figure 9. Observing the EGR Cooler for Bubbles
Section 8.1.2
Installation of the Tube and Shell Bolted Flange EGR Cooler
Installation steps are as follows:
- Install the EGR water outlet hose and clamps onto the oil cooler inlet. See Figure
"EGR Cooler and Related Parts"
.

1. Bolt
3. Clamp
2. EGR Water Inlet Hose
4. TSBF EGR Cooler
Figure 10. EGR Cooler and Related Parts
- Insert the oil cooler inlet hose over the cooler water outlet. Secure the hose with clamps.

PERSONAL INJURY
To avoid injury when removing or installing a heavy engine component, ensure the component is properly supported and securely attached to an adequate lifting device to prevent the component from falling.
- Align the cooler back plate holes with the four bosses on the cylinder block.
- Thread four M10 bolts through the back plate and into the cylinder block. Torque bolts to 46-52 N·m (34-38 lb·ft).
- Install the hose and clamps onto the cooler water inlet. See Figure "EGR Cooler and Related Parts" .
- Insert the water pump outlet elbow into the EGR cooler water inlet hose. Secure the hose with clamps.
- Install a new seal ring on the water pump elbow and secure the elbow with two M10 bolts. Torque bolts to 58-73 N·m (43-54 lb·ft).
- Secure the delivery pipe clamp to the cooler outlet. Torque the clamp nut to 12 N·m (106 lb·ft). See Figure
"Tube and Shell Bolted Flange EGR Cooler and Delivery Pipe"
.

1. Clamp
3. EGR Cooler
2. Venturi-Section
4. Air Lines
Figure 11. Tube and Shell Bolted Flange EGR Cooler and Delivery Pipe
- Attach the Delta P tube fittings to the venturi tube. See Figure "Tube and Shell Bolted Flange EGR Cooler and Delivery Pipe" .
- Torque the tube fittings to 24-30 N·m (18-22 lb·ft).
- If the TSBF EGR cooler studs have not been installed, use the following procedure:
- Install three M8 studs into the threaded holes on the cooler.
- Torque the studs to 28-32 N·m (21-24 lb·ft).
- If the upper hot pipe and gasket have not been installed, use the following procedure:
- Install gasket and upper hot pipe onto the exhaust manifold center section studs.
- Install two nuts on the studs to secure the upper hot pipe.
- Torque the nuts to 22-26 N·m (16-19 lb·ft).
- Loosely install the bellow to the EGR valve assembly and secure using the bellow clamps.
- Slip the remaining bellow clamp over the flange of the upper hot pipe.
- Install a new EGR cooler gasket.
- Align the bellow with the upper hot pipe and while pressing against the upper hot pipe, lower the EGR valve assembly onto the TSBF EGR cooler studs.
- Install the three nuts to secure the EGR valve to the TSBF EGR cooler.
- Torque the nuts to 22-26 N·m (16-19 lb·ft).
Note: Bellow clamps must be positioned correctly for exhaust manifold mid-setback and high-mount center sections. See figure "Bellow Clamp Orientation for High-Mount or Mid-Setback Center Section Exhaust Manifolds" for correct clamp orientation.

1. Exhaust Manifold Mid-Setback Center Section
7. Bellow
2. Stud
8. EGR Valve-to-Bellow Clamp Orientation for all Engines
3. Gasket
9. Exhaust Manifold High-Mount Center Section
4. Upper Hot Pipe
10. Clamp Orientation for a High-Mount Center Section
5. Nut
11. TSBF EGR Cooler
6. Bellow Clamp Orientation Mid-Setback Center Section
Figure 12. Bellow Clamp Orientation for High-Mount or Mid-Setback Center Section Exhaust Manifolds
- Torque nut on bellow clamps to 12 N·m (106 lb·in.).
NOTICE:
Particle debris in the lubrication inlet and outlet ports of the actuator assembly can cause performance problems. Use care to keep any debris out of the actuator and oil lines when servicing. See Figure "EGR Valve and Hydraulic Actuator Oil Inlet and Outlet Locations" .

1. Oil Inlet
2. Oil Outlet
Figure 13. EGR Valve and Hydraulic Actuator Oil Inlet and Outlet Locations
- Install the oil inlet and outlet fittings to the hydraulic actuator assembly. Torque the fittings to 24-28 N·m (18-21 lb·ft). See Figure
"EGR Valve and Hydraulic Actuator Assembly"
.

1. EGR Valve and Hydraulic Actuator Assembly
3. Oil Inlet Line and Fitting
2. Oil Outlet Line and Fitting
Figure 14. EGR Valve and Hydraulic Actuator Assembly
- Install air line fitting to the pneumatic actuator assembly. Torque to 19-22 N·m (14-16 lb·ft). See Figure
"EGR Valve and Pneumatic Actuator Assembly"
.

1. EGR Valve and Pneumatic Actuator Assembly
2. Air line Tube
Figure 15. EGR Valve and Pneumatic Actuator Assembly
Section 8.1.2.1
Checking Pneumatic Actuator Assembly Calibration
Measure pneumatic actuator rod end travel as follows.
- Install a dial indicator.
- Adjust the stem of the dial indicator to rest on the rod end of the pneumatic actuator assembly. See Figure "Pneumatic Actuator Assembly" .
- With the valve closed and no pressure to the actuator set the dial indicator to zero.

EYE INJURY
To avoid injury from flying debris when using compressed air, wear adequate eye protection (face shield or safety goggles) and do not exceed 276 kPa (40 psi) air pressure.
- Using shop air, a pressure regulator and pressure gage, increase pressure at the actuator to 152 kPa (22.0 psi). Rod end travel with 152 kPa (22.0 psi) at the actuator should measure between 0.69-0.83 mm (0.027-0.033 in.).
- If calibration is not correct, adjust by loosening the jam nut and rotating the adjuster COUNTER CLOCKWISE to INCREASE the dial indicator reading or CLOCKWISE to DECREASE the dial indicator reading.. See Figure
"Pneumatic Actuator Assembly"
.

1. EGR Valve Assembly and Pneumatic Actuator Assembly
4. Jam Nut
2. Rod End
5. Pneumatic Actuator Assembly
3. Adjuster
Figure 16. Pneumatic Actuator Assembly
Note: Tightening the jam nut will stretch the rod end and change the calibration setting. After adjustment the rod end should be checked with the jam nut tightened. The torque specification for the jam nut is 25-28 N·m (18.4-20.7 lb·ft). Repeat step 5 if necessary.
| Series 60 Service Manual - 6SE483 |
| Generated on 10-13-2008 |