Section 2.1
Injector Unit Pump
All MBE 900 engines are water-cooled, four-stroke, direct-injection diesel engines. The cylinders are arranged in line on both the 6-cylinder and 4-cylinder models. Each has a separate fuel injection pump (unit pump) with a short injection line to the injection nozzle, which is located in the center of the combustion chamber. The unit pumps are attached to the engine block and are driven from the camshaft. Each cylinder has two intake valves and one exhaust valve.
Section 2.1.1
Injector Unit Pump Removal
Remove injector unit pump as follows:
- Remove the engine trim panel. See Figure
"Engine Trim Panel Removal"
.

1. Engine Trim Panel
2. Injection Lines
Figure 1. Engine Trim Panel Removal
- Remove the end cover from the lower right side of the flywheel housing, then attach the engine barring tool J 46392 . Refer to "1.13.1 Engine Barring Tool Installation" .
- Remove the fuel injection line. Refer to "2.2.1 Fuel Injection Line Removal" .
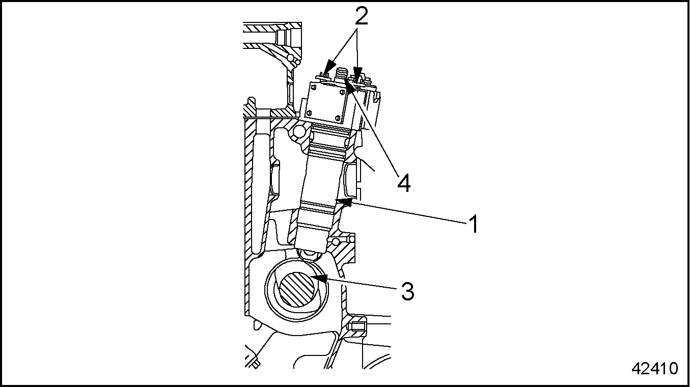
- Disconnect the engine wiring harness from each injector unit pump to be removed. See Figure
"Injector Unit Pump Removal/Installation"
.

1. Injector Unit Pump
5. Mounting Bolt
2. Black O-ring (large O-ring on shaft)
6. Injection Line
3. Green O-ring (small O-ring on shaft)
7. Engine Wiring Harness
4. O-ring (on head)
Figure 2. Injector Unit Pump Removal/Installation

PERSONAL INJURY
To avoid injury from an ejected injector unit pump, do not completely loosen the mounting bolts until you have tested the spring tension. If the spring tension is at maximum and you remove the mounting cap screws, the pump will be ejected from the engine crankcase.
- Carefully loosen the injector unit pump mounting bolts.
- Check the spring tension on the injector unit pump by pushing down on it. If you cannot push down on the injector pump manually, the spring tension is at the maximum. You must decrease the spring tension on the injector pump before removing it.
- If the spring tension on the injector pump is at the maximum, go to the next step to reduce it; otherwise, go to step 9 for removing the mounting bolts.
- Using the barring tool, rotate the crankshaft until the spring tension decreases enough to push the injector pump down manually.
- Remove the mounting bolts from the injector unit pump.
- Using the barring tool, rotate the crankshaft until the camshaft lifts the injector unit pump. See Figure
"Injector Unit Pump Removal"
.

1. Injector Unit Pump
3. Camshaft
2. Mounting Bolts
4. Fuel Line Connection
Figure 3. Injector Unit Pump Removal
NOTICE:
If the injector unit pump doesn't come out easily, do not try to pry it out. This will damage it. Use the special impact extractor to remove it.
- If the injector unit pump doesn't come out easily, use the injector/unit pump puller J 46375
to remove it.
- Thread the impact extractor onto the top of the injector unit pump, where the injection line was installed.
- Pull the injector unit pump out by using the slide hammer on the impact extractor. Do not use excessive force that could damage the threads on the injector unit pump fuel line connection.
- Check the injector unit pump for wear or damage. If any is found, replace the entire component. The injector unit pump is not serviceable, except for the O-rings.
Note: Replace all three O-rings.
- Remove and discard all three O-rings: two on the injector unit pump shaft, and one on the injector pump head. See Figure "Injector Unit Pump Removal/Installation" .
- Repeat this procedure for each injector unit pump that needs to be removed.
Section 2.1.2
Injector Unit Pump Installation
Install the injector unit pump as follows:
- Install a new pump head O-ring on the injector unit pump head, as removed.
- Lubricate the injector unit pump bore in the cylinder block with grease.
- Lubricate the new pump shaft O-rings with grease.
- Install the black O-ring on the injector unit pump shaft. See Figure
"Black O-ring Installation"
.

1. Black O-ring
3. Head of Injector Unit Pump
2. Seat for Black O-ring
Figure 4. Black O-ring Installation
- Insert the O-Ring installer J 46382 over the injector pump shaft, leaving only the first groove in the shaft exposed.
- Slide the black O-ring (it is the larger of the two) over the installer and onto the first groove in the injector pump shaft.
- Install the green O-ring on the injector unit pump shaft. See Figure
"Green O-ring Installation "
.

1. Green O-ring
3. Black O-ring (installed)
2. Seat for Green O-ring
4. Head of Injector Unit Pump
Figure 5. Green O-ring Installation
- Back the O-ring installer out over the injector pump shaft, leaving the second groove in the shaft exposed.
- Slide the green O-ring (it is the smaller of the two) over the installer and onto the second groove in the injector pump shaft.
- Insert the injector unit pump into the mounting hole on the crankcase. Use the bolt mounting holes on the engine as a guide for positioning the injector pump. Push the injector pump in by hand. If it won't go in easily, rotate the crankshaft until the pump goes in easily.
- Install the mounting bolts, and tighten 65 N·m (48 lb·ft).
- Connect the fuel injection line. Refer to "2.2.2 Fuel Injection Line Installation" .
- Repeat this procedure for each injector unit pump, as removed.
- Connect the engine wiring harness to each injector unit pump.
- Prime the fuel system. Refer to "11.1.5 Priming the Fuel System" .
- Start the engine and check for leaks. Tighten connections as needed.
- Install the engine trim panel. See Figure
"Engine Trim Panel Installation"
.

1. Engine Trim Panel
2. Injection Lines
Figure 6. Engine Trim Panel Installation
| MBE 900 Service Manual - 6SE414 |
| Generated on 10-13-2008 |