Section 76.1
Description of Flash Code 86, PID 73, 108/FMI 3
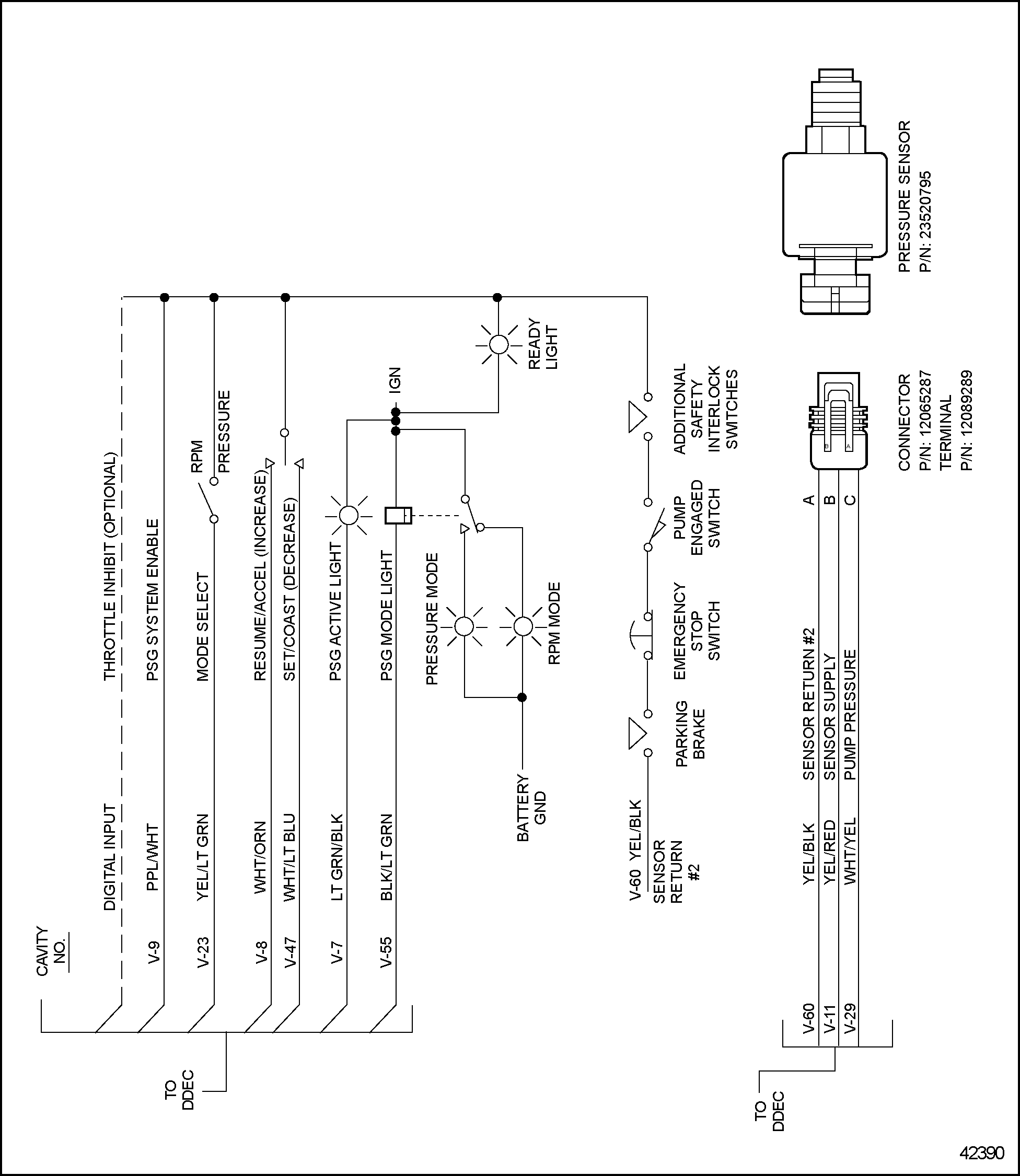
See Figure "Pressure Sensor Governor System — Vehicle Interface Harness Connector" for a schematic of the PSG system.

Figure 1. Pressure Sensor Governor System — Vehicle Interface Harness Connector
The Pressure Sensor Governor (PSG) is an optional DDEC feature designed primarily for the fire truck application. PSG is a unique governor system which electronically controls engine speeds based on one of two selected modes of operation.
The SAE J1587 equivalent code for Flash Code 86 is p 073/3.
Flash Code 86 indicates that the pump pressure circuit failed high.
| Series 60 DDEC V Troubleshooting Guide - 6SE570 |
| Generated on 10-13-2008 |