Section 3.1
Overview of Lubricating System
The lubrication system consists of the following components:
- Oil pump
- Pressure regulator valve
- Pressure relief valve
- Oil filters
- Oil filter adaptor
- Oil cooler
- Oil level dipstick
- Oil pan
- Ventilating system
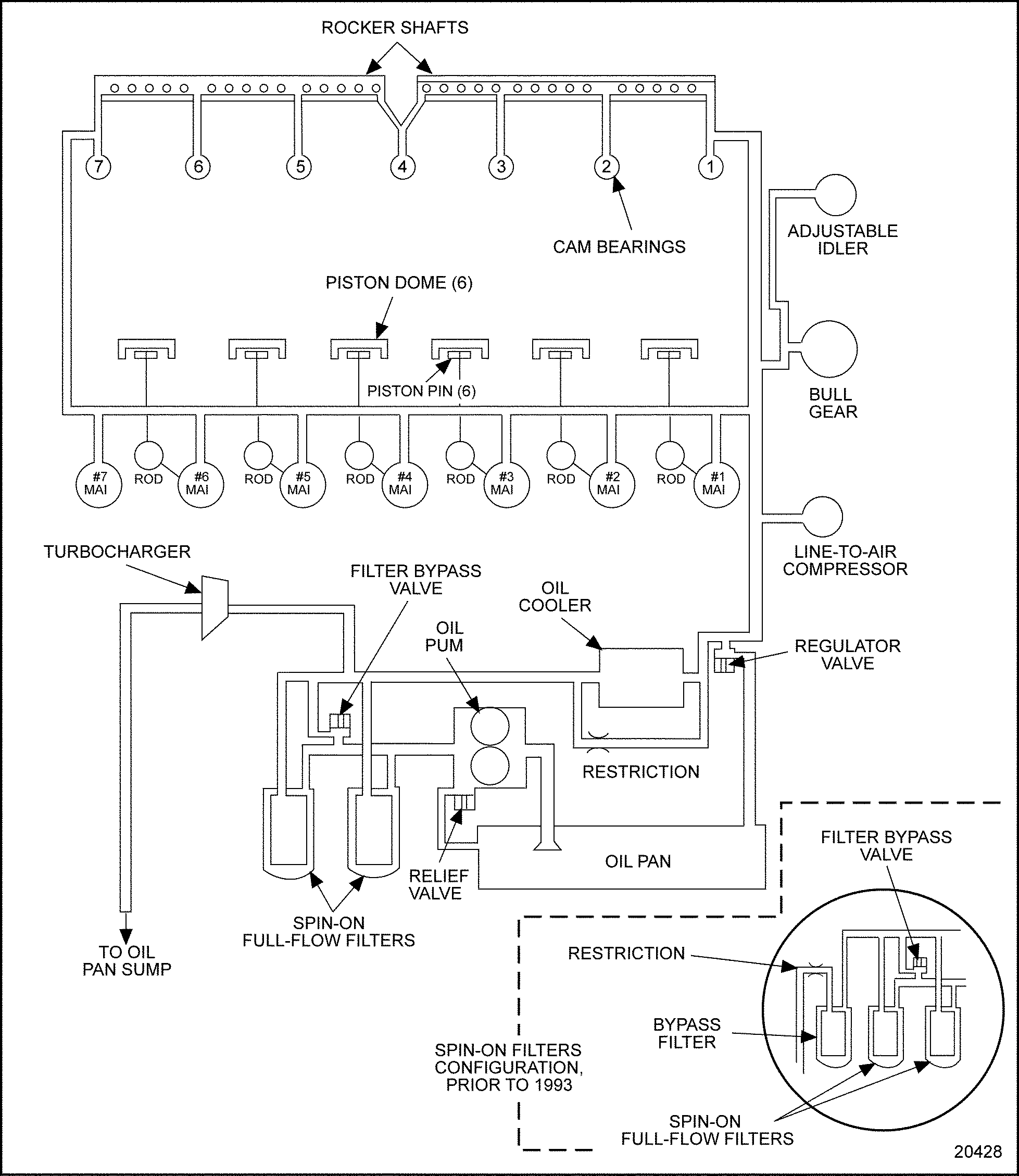
A schematic of the lubricating system is shown in the following illustration. See Figure "Schematic Diagram of Current Lubrication System" .

Figure 1. Schematic Diagram of Current Lubrication System
Oil leaving the pump is forced through the full-flow filters to the oil cooler and bypass passage and then into the oil gallery in the cylinder block. From there the oil is distributed to the various engine bearings and moving parts. Prior to 1993, a bypass type, spin-on filter was used in addition to the two full-flow oil filters. A portion of the oil is continually fed through the bypass filter and returned to the engine oil pan. Drains from the cylinder head and other engine parts return oil back to the oil pan.
Oil from the cooler is directed to a longitudinal main oil gallery on the cooler side of the cylinder block. See Figure "Schematic Diagram of Current Lubrication System" . This gallery distributes the pressurized oil to the main bearings and to a horizontal, transverse passage at each end of the cylinder block. From each of these two horizontal passages, oil flows into two vertical bores (one at each end of the cylinder block) to vertical passages in the cylinder head.
These passages in the cylinder head deliver oil from the cylinder block to the No. 1 and 7 lower camshaft bearing saddles. From there, the oil is directed upward (through the enlarged stud hole) to the No. 1 and 7 upper camshaft bearing caps. A drilled passage in each of these caps exits at the rocker arm shaft seat area, where it indexes rocker arm bushings and intermediate upper camshaft bearings. Some of the oil supplied goes to the rocker arm camshaft follower, roller pin and bushing.
The rocker is also drilled to supply oil to the valve adjusting screw, valve button, retainer clip, intake and exhaust valve stems and the fuel injector follower. The No. 4 camshaft cap is Y drilled, forming an oil path connection between the front and rear rocker arm shafts, to ensure complete lubrication. The oil then drains through passages in the cylinder head and block, and back to the oil pan.
Oil for lubricating the connecting rod bearings, piston pins and for cooling the piston dome is provided through the drilled crankshaft from the adjacent forward main bearings.
Two holes in the bull gear recess area of the cylinder block are drilled into the cylinder block front-cross oil gallery, and supply oil to the bull gear bearings, bull gear and camshaft idler gear and hub. See Figure "Gear Train Oil Supply Holes" .

Figure 2. Gear Train Oil Supply Holes
Excess oil from the bull gear lubricates the crankshaft timing gear and oil pump drive gear. A hole at the top, front of the block, drilled into the block front-cross oil gallery, mates with an oil passage in the gear case that directs oil to the adjustable idler gear assembly. See Figure "Gear Train Oil Supply Holes" . Excess oil from the adjustable idler gear lubricates the accessory drive and water pump drive gears. The bearings and shafts of these two drive assemblies are splash-fed oil through holes in their housings.
On engines equipped with an air compressor, a flexible, external oil line runs from a threaded hole at the top, front corner of the left side of the cylinder block, which is tapped into the main oil gallery. The flexible line runs to a fitting at the air compressor assembly.
Oil drains from the air compressor through a hole in the air compressor drive housing into the gear case.
Note: On early Series 60 engines equipped with an air compressor, there was a "T" fitting in the air compressor drive assembly. A flexible external oil line ran from the cylinder block to this "T" fitting and another line ran from the "T" fitting to the air compressor assembly.
A flexible, external oil line feeds oil from the oil filter adaptor housing pressure gallery to the turbocharger bearings and shaft. This oil is returned through an external line to the block near the block oil pan split line and then back to the oil pan.
Use the proper viscosity grade and type of heavy-duty oil. Refer to "5.2.1 Lubricant Requirement" .
Series 60 engines use red dye to detect lube oil system leaks during engine testing at the factory. Customers receiving new engines may notice some residual dye remaining in the lube oil systems. This dye should be quickly dispersed after the first few hours of engine operation, and will have no detrimental affect on the engine.
| Series 60 Service Manual - 6SE483 |
| Generated on 10-13-2008 |