Section 3.3
Ignition System
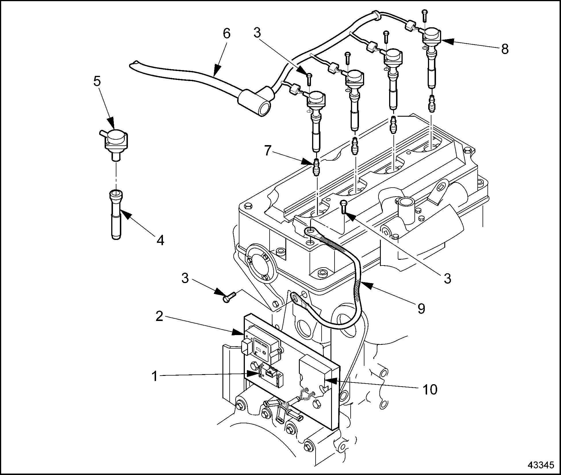
The Ignition System's main components are the ignition coil harness, the igniter module, the ignition coils, the ignition boot assemblies, the spark plugs, and the ground strap, see Figure "Ignition System — Series 50G" . In addition, the Ignition System requires a different rocker cover with extension tubes for the spark plugs attached to the rocker cover cap, see Figure "Two-Piece Rocker Cover — Series 50G" . Also, the cylinder head is machined to accept the spark plug extension tubes.

|
1. Baro Sensor |
6. Ignition Coil Harness |
|
2. Oxygen Sensor Module |
7. Spark Plug |
|
3. Bolt |
8. Ignition Coil and Boot Assembly |
|
4. Boot |
9. Ground Strap |
|
5. Ignition Coil Assembly |
10. Igniter Module |
Figure 1. Ignition System — Series 50G

|
1. Gasket |
8. Rocker Cover Cap |
|
2. O-ring |
9. Bolt |
|
3. Extension Tube |
10. Isolator |
|
4. O-ring |
11. Spacer |
|
5. Screw |
12. Rocker Cover Base |
|
6. Cover |
13. Seal Ring |
|
7. Bolt |
Figure 2. Two-Piece Rocker Cover — Series 50G
The following procedures are used to diagnose a natural gas Series 50G or Series 60G DDEC Engine which has low power, misfiring, or rough running
Section 3.3.1
Ignition Coil Firing Check
Check to see if the Ignition Coils are firing as follows:
- Remove the coil cover.
- Place an electronic spark plug firing indicator (OTC® part No. 7466 or equivalent) about 6.4 mm (0.25 in.) from the top of each Ignition Coil.
- Crank the engine over and note whether the tester blinks.
- If the tester blinks at all Ignition Coils, then inspect the ignition boots for contamination and damage, refer to "3.3.2 Ignition Boot Inspection" .
- If the tester does not blink on one or more Ignition Coils, check the igniter module power, refer to "3.3.4 Igniter Module Power Check" .
Section 3.3.2
Ignition Boot Inspection
Check the Ignition Boot assemblies as follows:
- Disconnect the ignition coil and boot assemblies.
- Examine the inside of the ignition boots for contamination. If oil, dirt, or arcing is present, discard any defective spark plugs and defective boot assemblies. Gap new spark plugs to 0.38 mm (0.015 in.). Install new spark plugs and boot assemblies. Tighten the spark plugs to 38 N·m (28 ft·lb). Perform the Fuel System Learn Procedure, refer to "3.8 Fuel System Learn Procedure" .
- Examine the Ignition Boots for burning and gumminess.
- If the boot material is soft and cracked, replace the ignition boot assembly and follow the Fuel System Learn Procedure, refer to "3.8 Fuel System Learn Procedure" .
- If signs of arcing or pin holes are present in the boot, replace the ignition boot assembly and follow the Learn Procedure, refer to "3.8 Fuel System Learn Procedure" .
- If the boot has no signs of arcing, pin holes, or degraded material, check the Ignition Coil continuity, refer to "3.3.10 Ignition Coils Continuity Check" .
Section 3.3.3
Spark Plug Body Inspection
Check the condition of the Spark Plug Bodies as follows:
- Examine the insulator of the spark plug upper body and the inside of the Ignition Boot for the following conditions:
- If any ignition boot is damaged or there is shorting up the side of the spark plug (see Figure
"Spark Plug with Flashover"
), go to step
.

Note: There are trace marks of high voltage arcs up the side of the spark plug body caused by oil, dirt, or moisture collected in a damaged ignition boot.
Figure 3. Spark Plug with Flashover
- If any spark plug has a cracked insulator at the upper body (see Figure
"Spark Plug with Cracked Insulator"
), go to step
.

Note: There is a crack in the ceramic insulator at the bottom or upper body of the plug.
Figure 4. Spark Plug with Cracked Insulator
- If any ignition boot is damaged or there is shorting up the side of the spark plug (see Figure
"Spark Plug with Flashover"
), go to step
.
- Remove any defective spark plugs. Discard any defective spark plugs and mating boot assemblies. Gap new spark plugs to 0.38 mm (0.015 in.). Install spark plugs and new boot assemblies. Tighten the spark plugs to 38 N·m (28 ft·lb). Perform the Fuel System Learn Procedure, refer to "3.8 Fuel System Learn Procedure" .
Section 3.3.4
Igniter Module Power Check
Check the power to the Igniter Module as follows:
- Disconnect the five-pin connector from the Igniter Module, see Figure
"Ignition System — Series 50G"
.

1. Baro Sensor
6. Ignition Coil Harness
2. Oxygen Sensor Module
7. Spark Plug
3. Bolt
8. Ignition Coil and Boot Assembly
4. Boot
9. Ground Strap
5. Ignition Coil Assembly
10. Igniter Module
Figure 5. Ignition System — Series 50G
- Connect a voltmeter across pin D (wire 440E) and pin E (wire 953, ground) on the five-pin connector of the ignition wire harness, see Figure
"Igniter Module Five-pin Connector"
.

Figure 6. Igniter Module Five-pin Connector
- Turn on the vehicle ignition.
- If 12 volts is present, check the Ignition Coil connectors, refer to "3.3.5 Ignition Coil Connectors Check" .
- If 12 volts is not present, check the power to the Ignition Coil Harness at the connector to the vehicle wire harness, refer to "3.3.6 Ignition Coil Harness Power Check" .
Section 3.3.5
Ignition Coil Connectors Check
Check the coil connectors of the Ignition Coil harness (see Figure "Ignition System — Series 50G" ) as follows:

|
1. Baro Sensor |
6. Ignition Coil Harness |
|
2. Oxygen Sensor Module |
7. Spark Plug |
|
3. Bolt |
8. Ignition Coil and Boot Assembly |
|
4. Boot |
9. Ground Strap |
|
5. Ignition Coil Assembly |
10. Igniter Module |
Figure 7. Ignition System — Series 50G
- Remove the coil cover.
- Remove each two-pin connector at the Ignition Coils.
- Connect a voltmeter across pins 1 and 2 on the connector coming from the Ignition Coil harness.
- If 12 volts is present at each coil, inspect the Spark Plug Well, refer to "3.3.8 Spark Plug Well Inspection" .
- If 12 volts is not present, check the Ignition Coil Harness Power Connector, refer to "3.3.7 Ignition Coil Harness Continuity Check" .
Section 3.3.6
Ignition Coil Harness Power Check
Check power into the Ignition Coil Harness as follows:
- Disconnect the two-pin connector that supplies power to the Ignition Coil harness.
- Connect a voltmeter across the two pins on the connector coming from the vehicle harness.
- Turn on the vehicle ignition and read the voltage.
- If 12 volts is present, check the Ignition Coil Harness Continuity, refer to "3.3.7 Ignition Coil Harness Continuity Check" .
- If 12 volts is not present, check the vehicle wiring. Refer to OEM Vehicle Manual.
Section 3.3.7
Ignition Coil Harness Continuity Check
Check the Ignition Coil Harness for continuity as follows:
- Measure the continuity of the circuits in the Ignition Coil Harness, refer to "7 The Natural Gas Engine Characteristics" for the Ignition Coil Harness wiring diagram.
- If any circuit shows no continuity, replace the Ignition Coil Harness. Then perform the Fuel System Learn Procedure, refer to "3.8 Fuel System Learn Procedure" .
- If all circuits show continuity, inspect the Spark Plug Wells, refer to "3.3.8 Spark Plug Well Inspection" .
Section 3.3.8
Spark Plug Well Inspection
Check the Spark Plug Wells as follows:
- Remove the coil cover.
- Disconnect each coil.
- Examine each ignition boot, spark plug, and spark plug well.
- If oil is present on any ignition boot or in the spark plug well, replace the O-rings on the extension tube; replace the ignition boot; and clean and reinstall the ignition coils. Perform the Fuel System Learn Procedure, refer to "3.8 Fuel System Learn Procedure" .
- If water is present in any spark plug well, clean out the well and discard the defective spark plug and replace the mating boot assembly. Gap spark plug to 0.38 mm (0.015 in.). Install the spark plug. Tighten the spark plug to 38 N·m (28 ft·lb). Perform the Fuel System Learn Procedure, refer to "3.8 Fuel System Learn Procedure" .
- If ignition coils, boots, and spark plug wells are free of oil or other contamination, check the Spark Plug Electrodes, refer to "3.3.9 Spark Plug Electrode Inspection" .
Section 3.3.9
Spark Plug Electrode Inspection
Check the Spark Plug Electrodes as follows:
- Remove each spark plug.
- Examine the spark plug electrode and insulator for the following conditions:
- If any spark plug is wet with oil or excessive deposits around center and ground electrodes (see Figure
"Spark Plug with Oil-Fouled Electrode"
), determine the cause of the oil or excessive deposits. Replace the spark plug and go to step
.

Note: Thick, wet, and black deposits around bottom of spark plug.
Figure 8. Spark Plug with Oil-Fouled Electrode
- If any spark plug electrodes are shorted by combustion deposits (see Figure
"Carbon-Fouled Spark Plug"
), replace the spark plug and go to step
.

Note: Soft, sooty, dry, and black deposits around bottom of spark plug.
Figure 9. Carbon-Fouled Spark Plug
- If any spark plug gap is shorted or reduced by the reforming of melted material from the electrodes (see Figure
"Spark Plug with Gap Bridging"
), go to step
.

Note: There is melting of electrode material in the gap.
Figure 10. Spark Plug with Gap Bridging
- If the spark plug is dry (no oily wetness) and has no deposits or just light tan or gray deposits (see Figure
"Normal Operating Spark Plug"
), reuse the spark plug. Clean the spark plug and spark plug well. Gap spark plug electrodes to 0.38 mm (0.015 in.). Install and tighten the spark plug to 38 N·m (28 ft·lb). If all spark plugs are normal, check the Ignition Coils for continuity, refer to "3.3.10 Ignition Coils Continuity Check"
.

Note: Light brown, gray, or tan deposits are acceptable.
Figure 11. Normal Operating Spark Plug
- If any spark plug is wet with oil or excessive deposits around center and ground electrodes (see Figure
"Spark Plug with Oil-Fouled Electrode"
), determine the cause of the oil or excessive deposits. Replace the spark plug and go to step
.
- Gap spark plug electrodes to 0.38 mm (0.015 in.). Install spark plugs and boot assemblies. Tighten the spark plugs to 38 N·m (28 ft·lb). Perform the Fuel System Learn Procedure, refer to "3.8 Fuel System Learn Procedure" .
Section 3.3.10
Ignition Coils Continuity Check
Check the Ignition Coils for primary circuit continuity as follows:
- Remove the Ignition Coils.
- Inspect the Ignition Coils for signs of overheating and cracking. If damaged, replace the Ignition Coil. Then perform the Fuel System Learn Procedure, refer to "3.8 Fuel System Learn Procedure" .
- Measure the resistance across the two pins in the electrical connector.
- If any resistance is greater than 0.55 Ω (ohms), replace that Ignition Coil. Then perform the Fuel System Learn Procedure, refer to "3.8 Fuel System Learn Procedure" .
- If the resistance is always less than or equal to 0.55 Ω (ohms), check the Low Pressure Regulator, refer to "3.4 Low Fuel Pressure" .
- If the engine still has low power, misfiring, or rough running, replace the Igniter Module, refer to "3.3 Ignition System" .
- If the engine operates normally, then troubleshooting is done.
| Series 50G and 60G Troubleshooting Guide - 6SE482 |
| Generated on 10-13-2008 |