Section 1.28
Balance Shaft and Oil Pump Mechanism
The Series 50 Engines require a system to smooth the vibrations that are inherent in all four-stoke engines of inline, four cylinder configuration. Two counterweighted balance shafts rotate at twice the engine speed to cancel these forces. The balance mechanism is comprised of two gear driven balance shafts, the oil pump, oil suction and supply tubes, and the oil pressure relief and regulator valves. Engines built after S/N 4R-15542 use valve rocker arms without drilled oil passages to the valve adjusting screw. This supplies more oil to the balancer mechanism.
Engines used in transit bus applications require an oil analysis at each oil change. At 250,000 miles (400,000 km) an inspection of the balance shaft assembly is required.
Section 1.28.1
Repair or Replacement of the Balance Shaft and Oil Pump Mechanism
To determine if repair or replacement of the balance shaft and oil pump mechanism is necessary, perform the following procedure. See Figure "Flowchart for Repair or Replacement of the Balance Shaft and Oil Pump Mechanism" .

Figure 1. Flowchart for Repair or Replacement of the Balance Shaft and Oil Pump Mechanism
Section 1.28.2
Cleaning and Removal of the Balance Shaft and Oil Pump Mechanism
Precleaning is not necessary.
Remove the balance shaft and oil pump mechanism as follows:
- Set cylinder No. 1 at top-dead-center by barring the engine over until the piston reaches the top of the cylinder. The cylinder will then be at top-dead-center (TDC).
- Drain the engine oil and remove the oil pan. Refer to "3.9.2 Cleaning and Removal of Oil Pan" .
- Unfasten the two M10 capscrew that fasten the oil suction tube braces to the balance support.
- Unfasten the two M8 capscrew that attach the suction tube flange to the oil pump body and remove the suction tube assembly.
- Install oil pump gear holding tool, J 39816
. See Figure
"Oil Pump Gear Holding Tool"
.

Figure 2. Oil Pump Gear Holding Tool
- Support the balance assembly on the center and front bulkhead using tool, J 39814-A , and a transmission jack.
- Remove the nine capscrews that fasten the balance assembly to the cylinder block and lower the assembly.
- Lift the balance assembly from the transmission jack, turn it over and set it on a clean working surface using care not to damage the locating dowels.
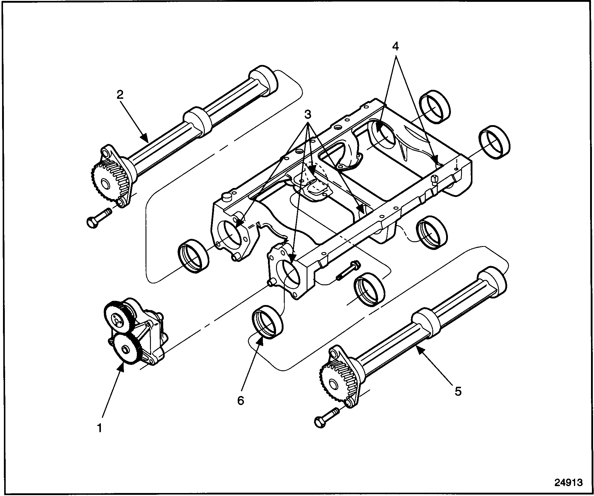
Remove the oil pump as follows: See Figure "Oil Pump and Related Components Removal" .

|
1. Bolt |
6. Oil Pump Assembly |
|
2. Relief Valve |
7. O-rings |
|
3. Gasket |
8. Oil Feed Tube |
|
4. Balance Shaft Assembly |
9. Pick-up Tube and Bracket |
|
5. Thrust Plate Bolt |
10. Pick-up Tube Gasket |
|
|
11. Regulator Valve |
Figure 3. Oil Pump and Related Components Removal
- Unfasten the four M8 capscrews that attach the oil pump to the balance support.
- Loosen, but do not remove, the two M8 capscrews at each balance shaft thrust plate enough to allow the balance shaft to slide and create clearance for removal of the oil pump.
- Remove the oil pump outlet tube and set it aside.
Remove the balance shaft as follows: See Figure "Balance Assembly Disassembly" .

|
1. Oil Pump |
4. Narrow Bushings |
|
2. Balance Shaft |
5. Balance Shaft |
|
3. Wide Bushings |
6. Balance Shaft Bushing |
Figure 4. Balance Assembly Disassembly
Remove the balance shaft bushings as follows:
- Attach the balance shaft removal tool, J 39817
, to the rearmost bearing journal face of the left side balance shaft. See Figure
"Balance Shaft Removal Tool"
.

Figure 5. Balance Shaft Removal Tool
- Remove the two M8 capscrews that attach the left side thrust plate to the balance support.
- Slide the shaft out of the support, being careful to support the gear end and remainder of the shaft as it leaves the support.
- Remove the balance shaft removal tool from the support and repeat the process for the right side shaft.
Using tool set J 39819 , remove balance shaft rear bushings as follows:
- Place bushing installer J 39819-1
and C-washer J 7593-4
onto the end of shaft 39819-5 and insert the shaft completely through the cradle from the front. See Figure
"Remove Rear Bushings"
.

Figure 6. Remove Rear Bushings
- Place bushing installer J 39819-2 and the thrust bearing over the threaded end of the shaft and install the 1 7/16 in hex nut.
- Hold the shaft with a 5/8 in. wrench to keep it from turning, then tighten the hex nut until the rear bushing is removed.
- Remove the tools and repeat this procedure to remove the remaining rear bushing.
Remove the balance shaft center bushings as follows:
- Insert shaft J 39819-5
halfway through the front of the cradle, then place C-washer J 7593-4
and bushing installerJ 39819-2
over the threaded end. Pass the shaft through the center and rear bushing bore areas. See Figure
"Remove Center Bushings"
.

Figure 7. Remove Center Bushings
- Place centering device J 39819-3 and the thrust bearing over the threaded end of the shaft and install the 1 7/16 in hex nut.
- Hold the shaft with a 5/8 in. wrench to keep it from turning, then tighten the hex nut until the center bushing is removed.
- Remove the tools and repeat this procedure to remove the remaining center bushing.
Remove balance shaft front bushings as follows:
- Place C-washer J 7593
and bushing installer J 39819-2
onto the end of shaft J 39819-5
and insert the shaft completely through the cradle from the front. See Figure
"Remove Front Bushings"
.

Figure 8. Remove Front Bushings
- Place centering device J 39819-3 and the thrust bearing over the threaded end of the shaft and install the 1 7/16 in hex nut.
- Hold the shaft with a 5/8 in. wrench to keep it from turning, then tighten the hex nut until the front bushing is removed.
- Remove the tools and repeat this procedure to remove the remaining front bushing.
Section 1.28.2.1
Inspection of the Balance Shaft
Inspect the balance shaft as follows:
- Clean all removed parts in clean fuel oil.
- Ensure all oil passages are clear.

EYE INJURY
To avoid injury from flying debris when using compressed air, wear adequate eye protection (face shield or safety goggles) and do not exceed 276 kPa (40 psi) air pressure.
- Dry components with compressed air.
- Inspect balance shaft contact surfaces for scoring, replace if excessively scored.
- Inspect balance shaft bearings for scoring, pitting, flaking, etching, or signs of overheating. If any of these are evident the bearing must be replaced.
- Inspect balance shaft support for cracks, signs of overheating, or other damage. Replace as necessary.
Section 1.28.3
Installation of the Balance Shaft
Install balance shaft rear bushings as follows:
- Place bushing installer J 39819-1
and C-washer J 7593-4
onto the end of shaft J 39819-5
and insert the shaft completely through the cradle from the front. See Figure
"Install Rear Bushings"
.

Figure 9. Install Rear Bushings
- Place a new bushing on bushing installerJ 39819-2 and install over the threaded end of the shaft. Place the thrust bearing on the shaft and install the 1 7/16 in hex nut.
- Hold the shaft with a 5/8 in. wrench to keep it from turning, then tighten the hex nut until the rear bushing is installed.
- Remove the tools and repeat this procedure to install the remaining rear bushing.
Install the balance shaft center bushings as follows:
- Place bushing installer J 39819-1
and C-washer J 7593-4
onto the end of shaft J 39819-5
and insert the shaft half way through the cradle from the front. See Figure
"Install Center Bushings"
.

Figure 10. Install Center Bushings
- Install C-washer J 39819-4 onto the shaft and pass the shaft through center bearing bore.
- Position a new bushing on installerJ 39819-2 , install onto the shaft, and pass the shaft completely through the rear bore. The bushing is located properly when the J 39819-4 C-washer is tight against the back of the notch in the shaft
- Slip tube J 39819-6
over the shaft, then install the thrust bearing and nut onto the threaded end of the shaft.
NOTICE:
Before installing the bushing, align the hole in the bushing with the oil supply hole in the bearing bore. Failure to observe this step will result in inadequate flow of lube oil to the bearing, which may lead to bearing and shaft damage.
- Hold the shaft with a 5/8 in. wrench to keep it from turning, then tighten the hex nut until the center bushing is installed.
- Remove the tools and repeat this procedure to install the remaining center bushing.
Install the balance shaft front bushings as follows:
- Place C-washer J 7593
and bushing installer J 39819-1
onto the end of shaft J 39819-5
and position a new bushing on the installer. Insert the shaft completely through the cradle from the front. See Figure
"Install Front Bushings"
.

Figure 11. Install Front Bushings
- Place centering device J 39819-3 and the thrust bearing over the threaded end of the shaft and install the 1 7/16 in hex nut.
- Hold the shaft with a 5/8 in. wrench to keep it from turning, then tighten the hex nut until the front bushing is installed.
- Remove the tools and repeat this procedure to install the remaining front bushing.
Install the balance shaft and assembly as follows:
- Attach the balance shaft installation service tool, J 39817 , to the right side shaft.
- Lubricate the bushing in the support and the shaft journals with clean engine oil.
- With balance shaft weights on top and supporting the gear end of the shaft assembly, slide the installation tool and shaft into the support.
- To allow clearance for assembly of the oil pump, loosely install the two M8 capscrews that fasten the thrust plate to the support.
- Repeat the previous steps for the left side shaft.
- Proper timing of the balance mechanism is essential to proper engine operation. Using the oil pump gear holding tool J 39816
, the balance shafts can be aligned and held in the position necessary to attain proper timing.
Note: The counterweighted balance shafts will naturally want to rotate back into position unless held in place.
- Before installation of the oil pump, rotate the drive gear so that the timing marks match the locating of those on the balance shaft gears. See Figure
"Balance Shaft Drive Gear Timing"
.

Figure 12. Balance Shaft Drive Gear Timing
Install the oil pump as follows:
- Install the oil pump, taking care to match each of the letters stamped on the pump idler gear and pump drive gear with the same letter of the left and right side balance shafts.
- When sure that all of the gears are properly aligned, tighten the M8 capscrews in each of the thrust plates, torque 34 N·m (25 ft·lb).
Note: Bolts are installed from back side of pump.
Note: Effective with engine serial number 4R25678 manufactured on September 18, 1998, an improved oil pump and balance shaft assembly is used. The improved oil pump is fastened to the balance support assembly with M10 bolts (torque to 66 N·m [49 ft·lb]). The former oil pump was fastened with M8 bolts (torqued to 34 N·m [25 ft·lb]). The bolts are installed from the back side of the oil pump. See Figure "Oil Pump Bolt Torque Sequence" .
-
Install and tighten the four bolts that attach the oil pump to the balance support.
See Figure
"Oil Pump Bolt Torque Sequence"
.

Figure 13. Oil Pump Bolt Torque Sequence
- To aid balancer timing, leave the oil pump gear holding tool, J 39816 , in place until the balance assembly is installed in the engine.
- Install new O-ring seals on both ends of the oil pump outlet tube and lubricate them with clean engine oil.
- Loosely assemble the left and right side oil inlet tube brackets to the inlet tube using the M10 nuts and bolts.
- Install one end of the oil pump outlet tube into the inlet tee, the other into the pump body.
- Install the inlet tee and attach the relief valve using two M8 capscrews torque 34 N·m (25 ft·lb).
- Install the regulator valve using two M8 capscrews torque 34 N·m (25 ft·lb).
- Install the two M10 capscrews that attach the left and right side oil inlet tube brackets to the support torque 48 N·m (35 ft·lb).
- Tighten the M10 nuts and bolts that fasten the tube bracket to the inlet tube.
- Attach the balancer assembly to the lifting jack service tool, J 39814-A .
- Use guide studs in opposite center holes to properly align the balance shaft support.
- Before the balance assembly is fastened to the cylinder block, make sure again that the timing marks on the balance gears are aligned with the oil pump idler and drive gears and that cylinder No. 1 at top dead center (on either the compression or exhaust stroke). With cylinder No. 1 at top dead center and all gear meshes properly aligned, the counter weights for both balance shafts should be in the bottom most, or 6 o'clock, position.
- Raise the balance assembly to the cylinder block and attach it using the nine M12 capscrews torque 115 N·m (85 ft·lb).
- Remove guide studs and stall remaining two bolts, torque to 115 N·m (85 ft·lb).
- Remove the oil pump gear holding tool, J 39816 , from the balance shafts.
- Install the oil pan.
Section 1.28.4
Installing a Balance Shaft and Oil Pump Mechanism (Which Has Not Been Disassembled)
If the balance shaft and oil pump mechanism is removed from the Series 50 engine and is not disassembled, it can be reinstalled on the engine and correctly timed without further disassembly of engine components. The procedure outlined below permits reinstallation of this mechanism with a minimum of engine downtime. Only this procedure should be used when replacing a balance shaft and oil pump mechanism which has not been disassembled.
To reinstall a balance shaft and oil pump mechanism which has not been disassembled, proceed as follows:
- Remove two M8 bolts in each balance shaft thrust plate and slide the shafts forward, disengaging them from the lube oil pump/idler gear assembly.
- Spin the pump/idler gears until the "Y" letters line up. See Figure
"Balance Shaft Drive Gear Timing"
. This may require up to 20 turns.

Figure 14. Balance Shaft Drive Gear Timing
- With the "Y's" lined up on the pump gear and idler gear, install the left and right balance shafts with the timing marks lined up as shown. See Figure "Balance Shaft Drive Gear Timing" .
- Lock the mechanism in this position with oil pump gear holding tool J 39816
. See Figure
"Balance Shaft and Oil Pump Mechanism Showing Tool J 39816
"
.

Figure 15. Balance Shaft and Oil Pump Mechanism Showing Tool J 39816
- Reinstall the two M8 bolts in each balance shaft thrust plate and torque to 30 - 38 N·m (22 - 28 lb·ft). Recheck position of timing marks and realign, if required.
- Bar the engine until the "O" on the crankshaft gear is in the down
position.
NOTICE:
Failure to establish piston top dead center or to properly align timing marks on balance shaft and idler gears or to line up the " O" marks on the crank gear and oil pump idler gear before reinstalling the balance shaft and oil pump mechanism will result in an out-of-time condition. This will cause engine vibration, which may lead to serious engine damage after start-up.
- Attach the mechanism to lifting jack service tool J 39814 . Make sure guide studs are installed in opposite center holes to properly align the mechanism support.
- Using a transmission jack, carefully raise the mechanism to the cylinder block, lining up the "O" marks on the crank gear and oil pump idler gear. See Figure "Balance Shaft and Oil Pump Mechanism Showing Tool J 39816 " .
- Secure the mechanism to the block with the nine M12 cap screws previously removed. Torque screws to 115 N·m (85 lb·ft).
- Remove the guide studs from the mechanism and reinstall the two remaining M12 cap screws. Torque to 115 N·m (85 lb·ft).
- Using the two M8 capscrews removed, attach the suction tube flange to the oil pump body.
- Remove oil pump gear holding toolJ 39816 .
- Using the two M10 capscrews previously removed, fasten the oil suction tube brackets to the balance support.
NOTICE:
Failure to remove the oil pump gear holding tool before installing the oil pan may result in severe gear train damage at engine startup.
- Install the oil pan.
| Series 50 Service Manual - 6SE50 |
| Generated on 10-13-2008 |