Section 6.3
General Operation
The turbocharger assembly is an exhaust-driven centrifugal air compressor. Its purpose is to increase power output by supplying compressed air to the engine. The center housing is oil and air cooled. Engine oil is circulated through the center housing which acts as a heat barrier between the "hot" turbine and the "cold" compressor. Bearings are sleeve-type and are lubricated by engine oil. Oil is pumped directly from the clean-oil side of the oil filter, through the turbocharger oil feed supply tube, then circulated in the center housing of the turbocharger and returned to the engine through an oil drain tube.
High velocity engine exhaust gases drive the turbine shaft assembly to speeds over 100,000 revolutions per minute. Filtered air entering the compressor side of the turbocharger is compressed and delivered to the engine valve cover/intake manifold at a pressure higher than atmospheric pressure. Because more air is delivered to the intake manifold, the result is more power, fuel efficiency and the ability to maintain power at altitude.
Section 6.3.1
Component Identification
The turbine wheel is located in the turbine housing. The compressor impeller is located at the opposite end on a common shaft that connects the turbine wheel and impeller. See Figure "Turbocharger and Common Part Location" .

|
1. Oil Filter |
7. Lifting Eye (2) |
|
2. Flywheel Housing |
8. Alternator Bracket |
|
3. Road Draft Tube |
9. Coolant Filter |
|
4. Exhaust Manifold |
10. Water Inlet |
|
5. Turbocharger |
11. Oil Cooler |
|
6. Valve Cover/Intake Manifold |
12. Oil Pan |
Figure 1. Turbocharger and Common Part Location
Section 6.3.2
Removal of Turbocharger
Use the following procedure to remove the turbocharger from the engine:
- Using an open end wrench, loosen and remove the oil feed supply tube nut located on top of the oil filter header. Remove and discard the tube nut O-ring. See Figure
"Oil Feed Supply Tube"
.

1. Oil Filter Header
3. Oil Feed Supply Tube
2. Oil Feed Supply Tube Nut
Figure 2. Oil Feed Supply Tube
- Remove two capscrews securing the oil feed supply tube to the top of the turbocharger housing. See Figure
"Turbocharger Assembly Removal"
.

1. Turbocharger Assembly
3. Oil Feed Supply Tube
2. Capscrews (2)
Figure 3. Turbocharger Assembly Removal
- Remove the oil feed supply tube and the tube flange gasket from the turbocharger assembly. Discard the flange gasket. See Figure
"Oil Drain Tube Removal"
.

1. Oil Drain Tube Mounting Bolts (2)
4. Turbocharger Oil Drain Tube
2. Oil Drain Tube Flange Gasket
5. Turbo Oil Drain Tube Retaining Plate
3. Turbocharger Assembly
6. Oil Drain Tube Mounting Bolt
Figure 4. Oil Drain Tube Removal
- Cap the oil feed supply tube fitting located on the filter header.
- Remove the turbocharger oil drain tube as follows.
- Loosen the capscrew securing the turbocharger oil drain tube retaining plate to the crankcase. Remove the retaining plate and capscrew.
- Remove two capscrews securing the turbocharger oil drain tube to the bottom of the turbocharger housing.
- Remove the turbocharger oil drain tube retaining plate together with the turbo oil drain tube, tube flange, two tube O-rings and tube flange gasket from the bottom of the turbocharger assembly. Discard both drain tube O-rings (one on each end of drain tube) and flange gasket.
- Cap ALL openings on turbocharger assembly. Use the turbocharger intake cap set.
- Remove four nuts securing the turbocharger assembly to the exhaust manifold flange.
- Remove the turbocharger assembly and gasket from the engine. Discard the gasket.
Section 6.3.2.1
Cleaning of Turbocharger Components
Clean the components as follows.
Note: Do not use a caustic solution on the turbocharger or tubes.
|
|
|
To avoid injury from flying debris when using compressed air, wear adequate eye protection (face shield or safety goggles) and do not exceed 40 psi (276 kPa) air pressure. |
- Thoroughly clean the piping connecting the air cleaner to the turbocharger with soap and water. Dry with filtered compressed air.
- Remove the vehicle mounted air cleaner and clean inside the air cleaner element housing to help prevent turbocharger or engine failure.
- Clean the air inlet piping and connecting hoses with filtered compressed air.
- Inspect oil inlet tube and oil drain tube for restrictions. Clean with a suitable solvent and a nylon brush. Dry using filtered compressed air.
Section 6.3.2.2
Inspection of Turbocharger Components
Make the following checks and if the turbocharger meets these requirements, it can be considered satisfactory and reinstalled on the engine. If it does not meet the requirements, it must be replaced or rebuilt.
Note: Do not attempt to straighten bent wheel blades.
Note: Compressor impeller and turbine wheel deposits can be caused by the following: High Air Inlet Restriction - allows oil to transfer from the turbocharger center housing, resulting in oil deposits. Excessive Oil Consumption - resulting in turbine wheel carbon deposits. Engine Over-fueling - can result in excessive operating temperatures which can cause aluminum components to melt. Such deposits may be found on the turbine wheel if such a failure occurs.
- Visually inspect the compressor impeller and turbine wheel for blade erosion, bending, breakage or deposits. Replace as required.
- Visually inspect the turbine and compressor housings for evidence of wheel rubbing. Replace the housing(s) as required.
- Check for Free Rotation: Stand the turbocharger on the bench with the shaft in a horizontal position. The wheels must spin freely when turned by hand.
Section 6.3.2.3
Check for Turbine and Compressor Wheel Housing Rub
Follow these steps to check for turbine and compressor wheel housing rub.
- Visually inspect the turbine and compressor housing for any contact.
- Rotate shaft and check for any rubbing within the housings.
Section 6.3.2.4
Check Axial End Play
Follow this procedure to check axial end play.
- Clamp turbocharger mounting flange in a vise and position a dial indicator with a magnetic base on the frame of the vise. Place the tip of the indicator on the turbine end of the shaft.
- Move the shaft back and forth by hand and record the readings, see Figure "Check Axial End Play" .
- If the reading exceeds the specifications, the turbocharger must be reconditioned.

Figure 5. Check Axial End Play
Section 6.3.2.5
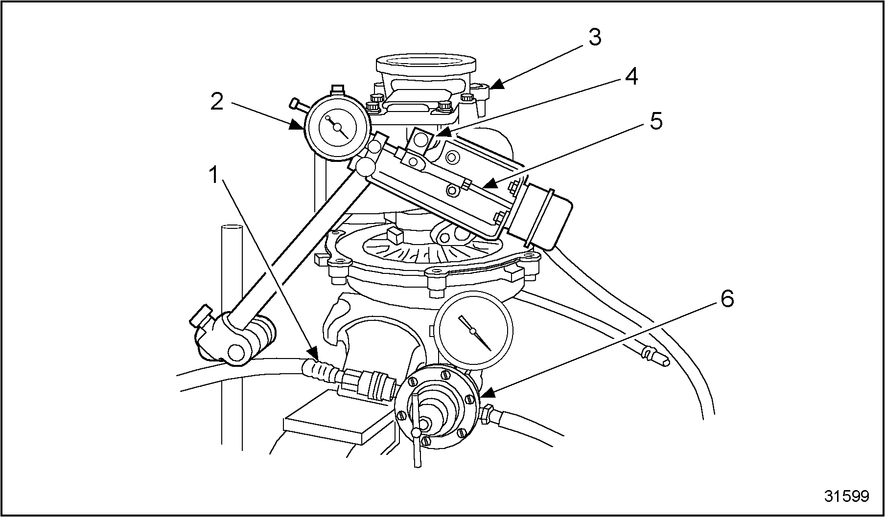
Check Wastegate Actuator (If Equipped)
For wastegate actuator check, see Figure "Check Wastegate Actuator (If Equipped)" .
- Clamp turbocharger mounting flange in a vise and position a dial indicator with a magnetic base on the frame of the vise. Place the tip of the indicator onto the actuator lever.
- Connect an air hose to a 207 kPa (30 psi) pressure regulator.
- Using a hose, connect the pressure regulator to the wastegate actuator. Measure actuator rod travel.
- Gradually apply air pressure to 197 kPa (28.5 psi). Refer to Specifications
in Section 6.A, for actuator movement tolerance.

1. Air Hose
4. Turbine Housing
2. Dial Indicator
5. Wastegate Actuator Arm
3. Wastegate Housing
6. Air Pressure Regulator
Figure 6. Check Wastegate Actuator (If Equipped)
Section 6.3.3
Disassemble Turbocharger
Mark the compressor housing location to the back plate to aid in assembly. See Figure "Oil Drain Tube Removal" . Disassemble as follows.
NOTICE: |
|
Reorientation of the compressor housing on the vehicle will damage the compressor housing O-ring. |

Figure 7. Oil Drain Tube Removal
Note: The disassembly procedure is the same for the wastegate and non wastegate turbochargers except where noted.
- Wastegate Turbocharger Only: Remove two hose clamps on the hose connecting the turbine side of the turbocharger to the wastegate actuator. Remove hose.
- Wastegate Turbocharger Only: Remove retaining clip to disengage wastegate actuator arm.
- Wastegate Turbocharger Only:
Remove three bolts securing wastegate actuator arm bracket to center housing. Remove actuator bracket arm. See Figure
"Remove Wastegate Actuator Arm"
.

1. Retaining Clip
3. Wastegate Actuator Arm
2. Wastegate Bracket Mounting Bolts (3)
Figure 8. Remove Wastegate Actuator Arm
- Remove six bolts securing compressor housing to back plate. Remove clamps. Remove compressor housing.
- Remove O-ring from back plate.
- Mark turbine and center housing.
- Remove four bolts securing center housing to turbine housing. See Figure
"Turbine Housing Removal"
.

1. Compressor Housing Back Plate
2. Mounting Bolts (4)
Figure 9. Turbine Housing Removal
- Wastegate turbocharger only: Mark the wastegate housing and the turbine housing. Remove six bolts securing wastegate housing to turbine housing. Remove housing.
- Flip actuator arm and observe check valves for cracks or wear
Section 6.3.4
Assemble Wastegate
Follow these steps to assemble the wastegate.
- Align marks of the compressor housing to the back plate. Attach compressor housing to the back plate.
- Install the wastegate actuator bracket with actuator arm and diaphragm attached, to the center housing. Secure with three bolts, if equipped. Torque to specifications. Refer to Specifications in Section 6.A.
- Connect wastegate actuator arm to wastegate and install retaining clip, if equipped.
- Align marks of the wastegate and turbine housing. Attach wastegate housing to turbine housing and secure with six bolts. Tighten bolts. See Figure
"Wastegate Actuator Bracket Installation"
.

1. Wastegate Housing Mounting Bolts (6)
3. Turbine Housing
2. Wastegate Housing
Figure 10. Wastegate Actuator Bracket Installation
- Align marks of the turbine and center housing. Attach turbine housing to center housing. Secure with four bolts and torque. Refer to Specifications in Section 6.A.
- Using six bolts and two clamps secure the compressor housing to the back plate. Torque to specifications. Refer to Specifications
in Section 6.A. See Figure
"Turbine Housing Installation "
.

1. Wastegate Actuator
3. Compressor Housing
2. Actuator Hose
4. Compressor Housing Mounting Bolts (6)
Figure 11. Turbine Housing Installation
- Wastegate turbocharger only: Attach the hose from the compressor side of the turbocharger to the wastegate actuator. Secure the hose with two hose clamps.
Section 6.3.5
Turbocharger Installation
Install turbocharger assembly onto a clean exhaust manifold flange as follows:
- Install a new gasket on the exhaust manifold flange.
- Attach the turbocharger assembly over the gasket on the exhaust manifold flange and torque nuts to specifications. Refer to Specifications in Section 6.A.
- Install the turbocharger oil feed supply tube as follows. See Figure
"Oil Feed Supply Tube Installation"
.

1. Oil Filter Header
5. Oil Feed Supply Tube Flange
2. Oil Feed Supply Tube Fitting
6. Oil Feed Supply Tube Flange Gasket
3. Oil Feed Supply Tube Connector Nut
7. Turbocharger Assembly
4. Oil Feed Supply Tube
Figure 12. Oil Feed Supply Tube Installation
- Remove the protective caps from the oil inlet port at the turbocharger and from the oil feed supply tube fitting located on the oil filter header.
- Pour five ounces of clean engine oil into the oil inlet opening of the turbocharger. This will provide sufficient lubrication for the turbocharger bearings until the engine oil pressure is obtained.
- Position a new gasket at the turbocharger oil inlet port.
- Install the oil feed supply tube to the turbocharger and secure using two mounting capscrews.
- Install a new rubber seal ring at the oil feed supply tube connector nut.
- Install the oil feed supply tube onto the tube fitting and secure with the connector nut.
- Install the turbo oil drain tube as follows. See Figure
"Turbo Oil Drain Tube"
.

1. O-ring
2. Turbo Oil Drain Tube
Figure 13. Turbo Oil Drain Tube
- Remove the protective cap from the oil drain port on the turbocharger.
- Lubricate two new O-rings with engine oil and install one on each end of the turbo oil drain tube.
- Position the turbo oil drain tube together with new O-rings, tube flange and flange gasket onto the turbocharger oil drain port.
- Secure the turbo oil drain tube gasket to the turbocharger and tighten the bolts. See Figure "Securing Oil Feed Tube" .

1. Capscrew
3. Oil Drain Tube
2. Retaining Plate
Figure 14. Securing Oil Feed Tube
- Install the loose end of the turbocharger oil drain tube into the crankcase and secure with the retaining plate and one capscrew.
| Series 40E Service Manual - 6SE410 |
| Generated on 10-13-2008 |