Section 15.2
Troubleshooting PID 174
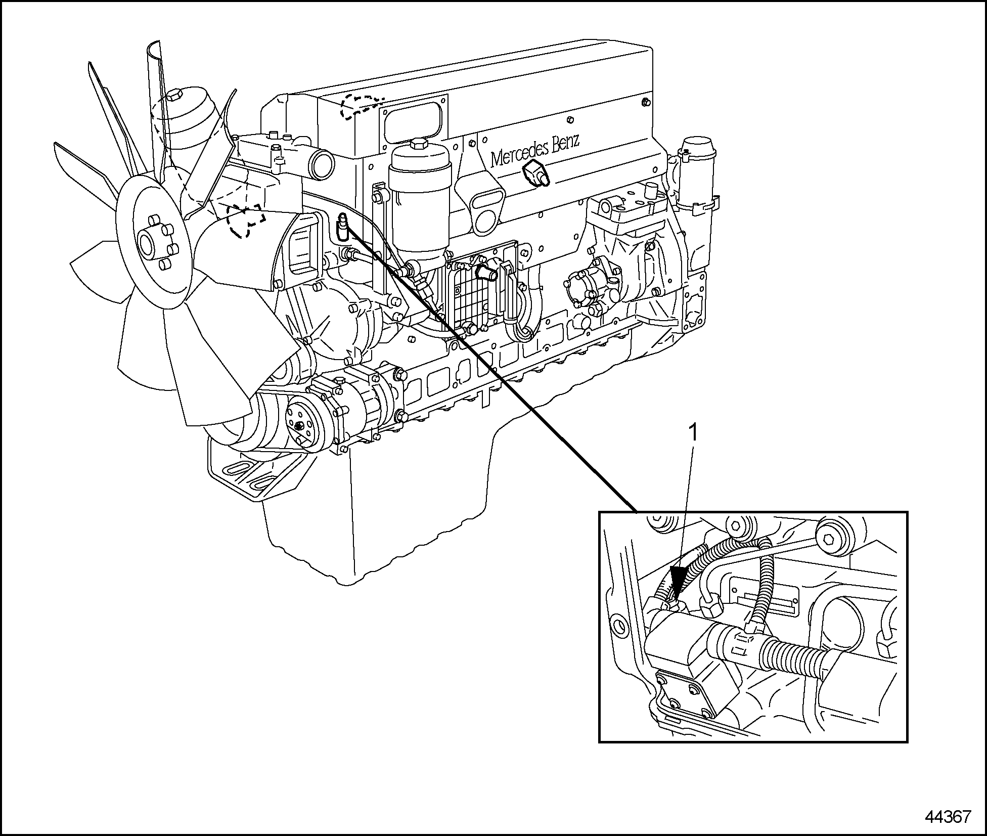
The following will troubleshoot PID 174. See Figure "Location of Supply Fuel Temperature Sensor" for SFT sensor location.

|
1. SFT Sensor |
|
Figure 1. Location of Supply Fuel Temperature Sensor
Section 15.2.1
174 03 – Supply Fuel Temperature Sensor Open Circuit
Perform the following steps to troubleshoot an SFT sensor open circuit fault:
- If faults 174 03 and 175 03 are active at the same time, refer to "16.2.1 175 03 – Engine Oil Temperature Open Circuit" .
- If faults 174 03 and 175 03 are not active at the same time, go to step 3 .
- Bridge pins 1 and 2 of the SFT sensor.
- If fault 174 04 is the only active fault after bridging pins, replace SFT sensor. Erase fault code memory.
- If fault 174 04 is not the only active fault after bridging pins, go to step 4 .
- Bridge pin 1 of the SFT sensor connector to ground. See Figure
"Supply Fuel Temperature Sensor Connector"
.

1. Pin 1
3. SFT Sensor Connector
2. Pin 2
Figure 2. Supply Fuel Temperature Sensor Connector
- If fault 174 04 is not active after bridging pin 1 to ground, refer to "15.2.1.1 Required Action" .
- If fault 174 04 is active after bridging pin 1 to ground, go to step 5 .
- Measure the resistance in 55-pin connector wire 4 to pin 2 of the SFT sensor connector. See Figure
"Supply Fuel Temperature Sensor Pins and 55-Pin Connector Wires"
.

Figure 3. Supply Fuel Temperature Sensor Pins and 55-Pin Connector Wires
- If resistance is less than 3 Ω, refer to "15.2.1.2 Required Action" .
- If resistance is more than 3 Ω, refer to "15.2.1.3 Required Action" .
Section 15.2.1.1
Required Action
Perform the following steps to resolve an SFT sensor open circuit fault:
- Repair or replace open circuit in wire between pin 36 of the 55-pin connector and pin 1 of the SFT sensor. See Figure
"55-Pin Engine Wiring Harness Connector"
.

1. 55-Pin Harness Connector
Figure 4. 55-Pin Engine Wiring Harness Connector
- Erase fault code memory.
Section 15.2.1.2
Required Action
Perform the following steps to resolve an SFT sensor open circuit fault:
- Check all contacts and connections.
- Contact Detroit Diesel Technical Service for authorization to replace the PLD-MR. Set parameters on new PLD-MR.
- Erase fault code memory.
Section 15.2.1.3
Required Action
Perform the following steps to resolve an SFT sensor open circuit fault:
- Repair open circuit in 55-pin connector wire 4 to pin 2 of the SFT sensor connector. See Figure "Supply Fuel Temperature Sensor Pins and 55-Pin Connector Wires" .
- Erase fault code memory.
Section 15.2.2
174 04 – Supply Fuel Temperature Sensor Short to Ground
Perform the following steps to troubleshoot an SFT sensor short-to-ground fault.
- Unplug the SFT sensor connector.
- If new fault 174 03 is active after the connector is unplugged, refer to "15.2.2.1 Required Action" .
- If new fault 174 03 is not active after the connector is unplugged, go to step 2 .
- Check the resistance between pin 1 of the SFT sensor and ground.
- If resistance is less than 30 Ω, refer to "15.2.2.2 Required Action" .
- If resistance is greater than 30 Ω, refer to "15.2.2.3 Required Action" .
Section 15.2.2.1
Required Action
Perform the following steps to resolve an SFT sensor short-to-ground fault.
- Remove and replace SFT sensor.
- Erase fault code memory.
Section 15.2.2.2
Required Action
Perform the following steps to resolve an SFT sensor short-to-ground fault.
- Repair short to ground in 55-pin connector wire 36 to pin 1 of the SFT sensor connector.
- Erase fault code memory.
Section 15.2.2.3
Required Action
Perform the following steps to resolve an SFT sensor short-to-ground fault.
- Clean and check the SFT sensor contacts.
- If fault 174 03 is active after cleaning and checking the contacts, perform the following steps:
- Contact Detroit Diesel Technical Service for authorization to replace the PLD-MR. Set parameters on new PLD-MR.
- Erase fault code memory.
| MBE 900/4000 Troubleshooting Guide - 6SE422 |
| Generated on 10-13-2008 |