Section 1.1
Diesel Fuel System Overview
The function of the fuel system is to store and supply fuel to the combustion chamber. The major parts of the diesel fuel system are the fuel tank, fuel filters, fuel pump, electronic control module, injection nozzles or injectors, and fuel lines.
There are differences between the Series 50/60 and the MBE fuel injection system. In the Series 50/60 engines, the unit injectors pressurize the fuel prior to injection. See Figure "Schematic Diagram of Series 50/60 Fuel System" . The MBE engines have a unit pump for each cylinder that produces the pressure and a high-pressure fuel line that carries fuel to the injector nozzles. See Figure "Schematic Diagram of MBE 900 and MBE 4000 Fuel System" .
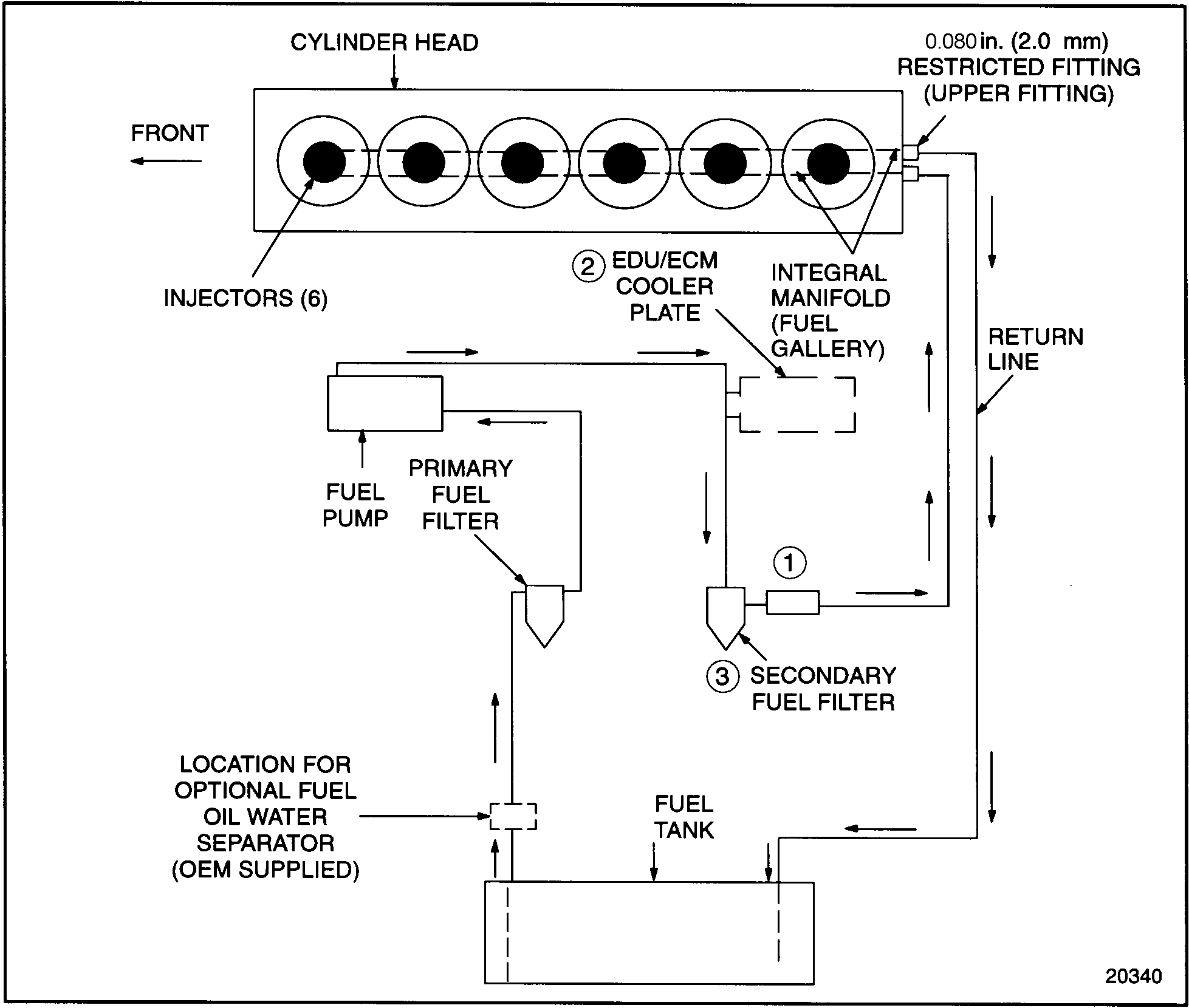
In the Series 50/60 engines, the fuel pump draws the fuel from the tank through low-pressure fuel lines leading to the water separator (not all diesel engines have a water separator). In most diesel engines, the fuel passes through a primary fuel filter before reaching the pump. The pump circulates an excess supply of fuel through the injectors, which purges air from the fuel system and also cools and lubricates the injectors. The unused portion of fuel returns to the fuel tank by means of the fuel return line. The primary filter captures large contaminants from the fuel and acts as a water separator. Water is heavier than diesel fuel and falls to the bottom of the primary filter, where in most applications it can be drained. After passing through the pump, the fuel goes through a secondary filter before reaching the fuel injectors to keep them clean and prevent them free from damage. The fuel flows to the fuel injectors where it is injected into the cylinders. The primary job of the entire fuel system is to inject a controlled amount of atomized fuel into each engine cylinder at the precise time. Excess fuel exits at the rear of the cylinder head just above the inlet, through a restrictive return fitting that maintains fuel pressure in the system. It then returns back to the tank. See Figure "Schematic Diagram of Series 50/60 Fuel System" .
The electronic unit injectors injects fuel directly into the combustion chamber. The injector performs these three functions:
- Creates the high fuel pressure required for efficient injection
- Meters and injects the exact amount of fuel required to handle the power requirement
- Atomizes the fuel for mixing with the air in the combustion chamber

Figure 1. Schematic Diagram of Series 50/60 Fuel System
The following changes have been made to the fuel system:
- Effective with engine serial number 6R56762, a manually operated fuel shutoff valve replaced a check valve. A PRO-CHEK® valve may be installed at this location to remove air. See number 1 in Figure 1-1.
- Effective with engine serial number 6R8950, the ECM/EDU cooler platet was removed from all Series 50/60 engines used in on-highway applications. See number 2 Figure 1-1.
- Effective with engine serial number 6R13060, a fuel system check valve is installed in the secondary fuel filter head to prevent fuel drainback when filters are changed. See number 3 in Figure 1-1.
In the MBE system, the fuel pump draws fuel from the tank through the pre-filter up to the fuel pump. The fuel pump delivers fuel at low pressure to the main fuel filter, then to the individual fuel injection pumps. Each unit pump delivers fuel at high pressure to the fuel injectors. The leak line collects unused fuel and empties through the overflow valve. The return lines bring the fuel back to the fuel tank. See Figure "Schematic Diagram of MBE 900 and MBE 4000 Fuel System" .

Figure 2. Schematic Diagram of MBE 900 and MBE 4000 Fuel System
Section 1.1.1
SERIES 50/60 ELECTRONIC UNIT INJECTOR
The Electronic Unit Injector (EUI) injects fuel directly into the combustion chamber. The small size of the injector along with the trapezoidal valve placement in the cylinder head allows the EUI to be placed in the center of the combustion chamber for optimal fuel efficiency and low emissions. The EUI is placed in an injector cup insert, and O-rings are used to seal between the injector and the cylinder head as well as the injector cup insert and the cylinder head, see Figure "Injector Cup Insert" .

Figure 3. Injector Cup Insert
The injector operates off the camshaft and ECM commands. As the piston travels about two-thirds of the way up on the compression stoke, the injector cam lobe begins to lift the injector rocker arm, in turn pushing the other side of the arm down on top of the injector. To start the fuel injection process, the ECM sends a signal to close the poppet valve, stopping the flow of fuel through the injector body and trapping fuel in the passages leading to the injector tip. See Figure "Series 50/60 Injector Components " . As the injector arm continues the downward stroke, the trapped fuel in the injector passages comes under extremely high pressure.

Figure 4. Series 50/60 Injector Components
The ECM controls how much fuel is injected. Injection begins soon after the poppet valve closes and the trapped fuel pressure rises to approximately 28,000 psi. The ECM, monitoring engine parameters, determines how long the valve will stay closed on the pressurized fuel and therefore how much fuel will be injected into the combustion chamber. The high-pressure fuel overcomes spring-loaded valves in the injector tip. The fine spray of atomized fuel is broken up into droplets smaller than 20 microns and mixes with the incoming charged air for combustion. When the ECM opens the poppet control valve, the trapped fuel is released, fuel pressure drops, and injection ends. This results in even fuel distribution that helps reduce black smoke, NOx, and particulate matter in exhaust gasses.
The fuel injection event is measured with injector response time (IRT), and pulse width (PW). IRT is the length of time in milliseconds (ms) from when the stator valve opens to the time the poppet control valve closes. PW is the duration of time the injectors are fueling the engine, measured in degrees of rotation of the crankshaft, which is determined by the ECU. When the injector actually begins injection, it is referred to as Beginning of Injection (BOI). See Figure "Injector Cycle Graph" .

Figure 5. Injector Cycle Graph
Once the injection event has ended and the rocker arm begins its upward travel, trapped fuel is released and begins to re-circulate through the system. By providing this constant recirculation of fuel, much of the heat is transferred from the injectors, they are cooled and the heat is returned to the fuel tank. Fuel also lubricates the precision-machined parts within the injector. Fuel not injected by the injector is returned to the fuel tank.
The Series 50/60 has two types of injectors: the former S60 EUI (N2), see Figure "Former Injector N2" , and the current N3, see Figure "Current Injector N3" . The current N3 injector offers four product improvements compared to the N2: an: internal solenoid, reduced internal fuel volume capacity, an electrical connector instead of ring terminals, and a design able to accept a stainless steel injector cup insert See Figure "N3 Injector Advantages Over N2 Injector" .

Figure 6. Former Injector N2

Figure 7. Current Injector N3
Series 50/60 injectors should not be rebuilt in the field. They must be sent back to the manufacturer and replaced with a rebuilt injector. However, the external injector body O-ring seals are serviceable. In the case of the N2, there is a solenoid O-ring kit and follower spring kit offered as serviceable parts.

Figure 8. N3 Injector Advantages Over N2 Injector
Section 1.1.2
MBE 900 AND MBE 4000 UNIT PUMP AND NOZZLE
In the MBE 900, the fuel pump draws fuel from the tank through the pre-filter up to the fuel pump. In the MBE 4000, fuel is drawn from the tank through the primary filter/water separator and PLD-MR cooler (also referred to as the Fuel Heat Exchanger), by the fuel pump. The fuel pump delivers fuel at low pressure to the fuel filter and from there to the individual fuel injection pumps. see Figure "MBE Unit Pump" and See Figure "General MBE Fuel System" . Each unit pump delivers fuel at high pressure to the high-pressure line., See Figure "MBE 900 and MBE 4000 Unit Pump and Nozzle System" . High-pressure lines take high-pressure fuel from the unit pumps to the injection nozzles.

Figure 9. MBE Unit Pump
In the MBE 900, fuel is filtered twice, once in a pre-filter, upstream of the fuel pump and second in the main filter, downstream of the fuel pump. The main filter has a drain valve to return fuel, accumulated in the filter, to the fuel tank as well as constant ventilation to reduce and return fuel vapor to the tank. The MBE 4000 has a secondary filter mounted on the engine. The fuel filter housing contains a replaceable fuel filter and has a check valve attached at the bottom. The fuel filter is upright, which makes it easy to replace and an internal return when the filter is removed to reduce spillage during replacement.
Electronic unit pumps are integrated into the crankcase and driven directly off the camshaft in the cylinder block. The injection unit pumps, which create injection pressures of more than 1,586 Bar (23,000 psi) and up to 2,137 Bar (31,000 psi) in the Exhaust Gas Recirculation (EGR) equipped engines for the MBE 900 and 1,793 Bar (26,000 psi) for the MBE 4000, are electronically controlled, and regulate the injection timing using solenoid valves. See Figure "MBE 900 and MBE 4000 Unit Pump and Nozzle System" . The control system consists of an engine-injector unit pump and nozzle control unit (DDEC-ECU/PLD-MR) and a vehicle control unit (DDEC-VCU). Metering and timing of the fuel is regulated by the control system, which actuates the solenoid poppet control valve to stop the free flow of fuel through the injector unit pump. When the solenoid poppet valve closes, fuel is trapped in the injector unit pump plunger. The continuous fuel flow through the injector unit pump prevents air pockets in the fuel system and cools those injector unit pump parts subjected to high combustion temperatures.

Figure 10. General MBE Fuel System

Figure 11. MBE 900 and MBE 4000 Unit Pump and Nozzle System
| Unit Fuel Injectors and Unit Pumps Technician's Guide - 7SE500 |
| Generated on 10-13-2008 |