Section 92.3
Injector Harness Wiring Schematic - Series 6V92 Engines
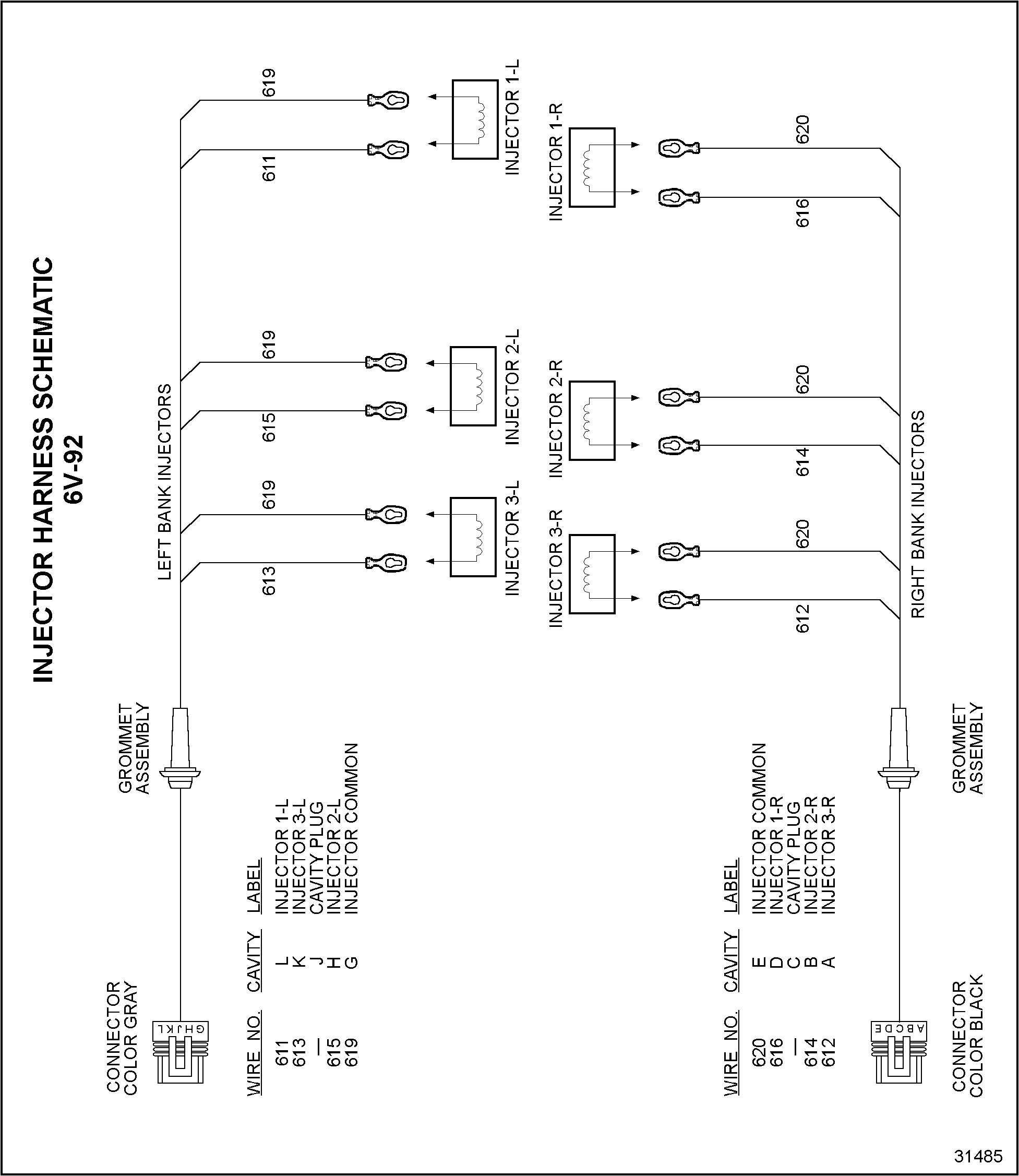
The following wire schematics support the injector harness; see Figure "Injector Harness - Series 6V92 Engines " .

Figure 1. Injector Harness - Series 6V92 Engines
| DDEC III/IV Single ECM Troubleshooting Guide - 6SE497 |
| Generated on 10-13-2008 |