Skip to content
Detroit Diesel Engine Troubleshooting
Detroit Repair Manuals
  • Home
  • Contact Us
  • Privacy Policy
  • Service Manual
    • DD 15 Fuel System
    • MBE 4000 Service Manual
    • MBE 900 Service Manual
    • Series 50 Service Manual
    • Series 55 Service Manual
    • Series 40E Service Manual
  • Troubleshooting
    • DD15 Troubleshooting
    • DDEC III/IV Single ECM Troubleshooting
    • DDEC VI Troubleshooting
    • MBE 4000 DDEC VI Troubleshooting
    • MBE 900/4000 Troubleshooting
    • Series 50G/60G Troubleshooting
    • Series 60 DDEC V Troubleshooting
    • Series 60 DDEC VI Troubleshooting

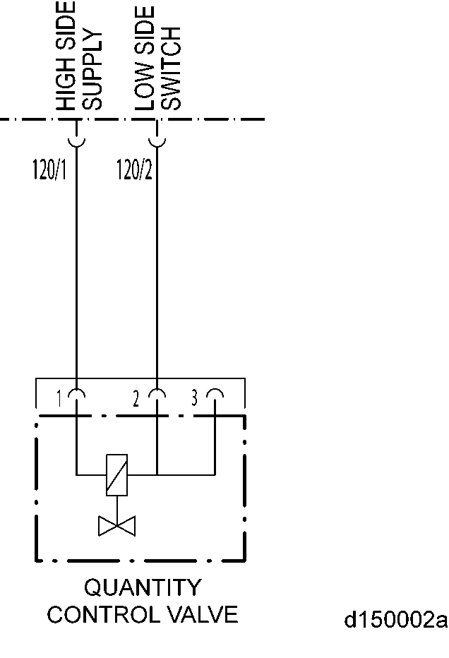
DD 15 – Section 35.10.16 Wiring Diagrams

Email This Page

Section 35.10.16
Wiring Diagrams

Click to see this graphic in a separate window
Click to see this graphic in a separate window
Click to see this graphic in a separate window
Click to see this graphic in a separate window
Click to see this graphic in a separate window
Click to see this graphic in a separate window


DD15 Fuel System Technician's Guide - DDC-SVC-MAN-0037
Generated on 10-13-2008
Category: DD15 Engine Fuel System Wiring Diagrams
Post navigation
← DD 15 – Section 35.10 Fuel Filter Module DD 15 – Section 35.10.16 Worksheets →
  • Bearings
  • DD15 Engine Fuel System
  • DD15 Troubleshooting
  • DDEC III/IV Single ECM Troubleshooting
  • Series 60 DDEC V Troubleshooting
  • MBE 900 DDEC VI Troubleshooting
  • MBE 4000 DDEC VI Troubleshooting
  • Series 60 DDEC VI Troubleshooting
  • DD15 Troubleshooting
  • DDEC III/IV Single ECM Troubleshooting
  • DD15 Engine Fuel System
  • MBE 900 4000 Troubleshooting
  • Series 50G & 60G Troubleshooting
  • MBE 900
  • MBE 4000
  • Series 55
  • Series 40E Troubleshooting
  • Series 638
  • Series 40E
  • Series 60 EGR
  • MBE 900 & MBE 4000 EGR
  • Series 60