Section 133.1
SPN 4259/FMI 3
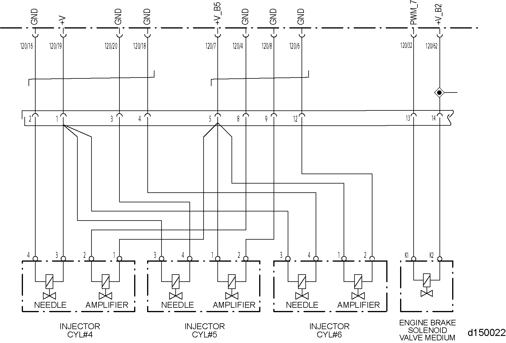
This diagnosis is typically injector #4, 5, or 6 amplifier control valve circuit has a short to battery/power.

Check as follows:
- Disconnect the Rear Injector Harness 14–pin connector.
- Turn the ignition ON (key ON, engine OFF).
- Measure the voltage between pin 1 on the MCM side of the Rear Injector Harness 14–pin connector and ground.

- If there is voltage present, repair the short to power between pin 1 of the Rear Injector Harness 14–pin connector and pin 4 of the 120–pin MCM connector. Refer to "133.1.1 Verify Repairs" .
- If there is no voltage present, go to step 4 .
- Measure the voltage between pin 8 on the MCM side of the Rear Injector Harness 14–pin connector and ground.
- If there is voltage present, repair the short to power between pin 8 of the Rear Injector Harness connector and pin 8 of the 120–pin MCM connector. Refer to "133.1.1 Verify Repairs" .
- If there is no voltage present, repair the short to power between pin 12 of the Rear Injector Harness connector and pin 6 of the 120–pin MCM connector. Refer to "133.1.1 Verify Repairs" .
Section 133.1.1
Verify Repairs
Verify repairs as follows:
- Turn ignition OFF.
- Reconnect any electrical connections that were disconnected to perform the diagnosis.
- Clear codes with DDDL 7.0 or latest version.

ENGINE EXHAUST
To avoid injury from inhaling engine exhaust, always operate the engine in a well-ventilated area. Engine exhaust is toxic.
- Start and bring engine up to operating temperature (over 140°F/60°C).
- Verify operation is satisfactory and no warning lamps illuminate. If warning lamps illuminate, troubleshoot the codes. If assistance is required, call the Detroit Diesel Customer Support Center at 313–592–5800.
| EPA07 DD15 Troubleshooting Guide - DDC-SVC-MAN-0029 |
| Generated on 10-13-2008 |