Section 25.2
SPN 100/FMI 3
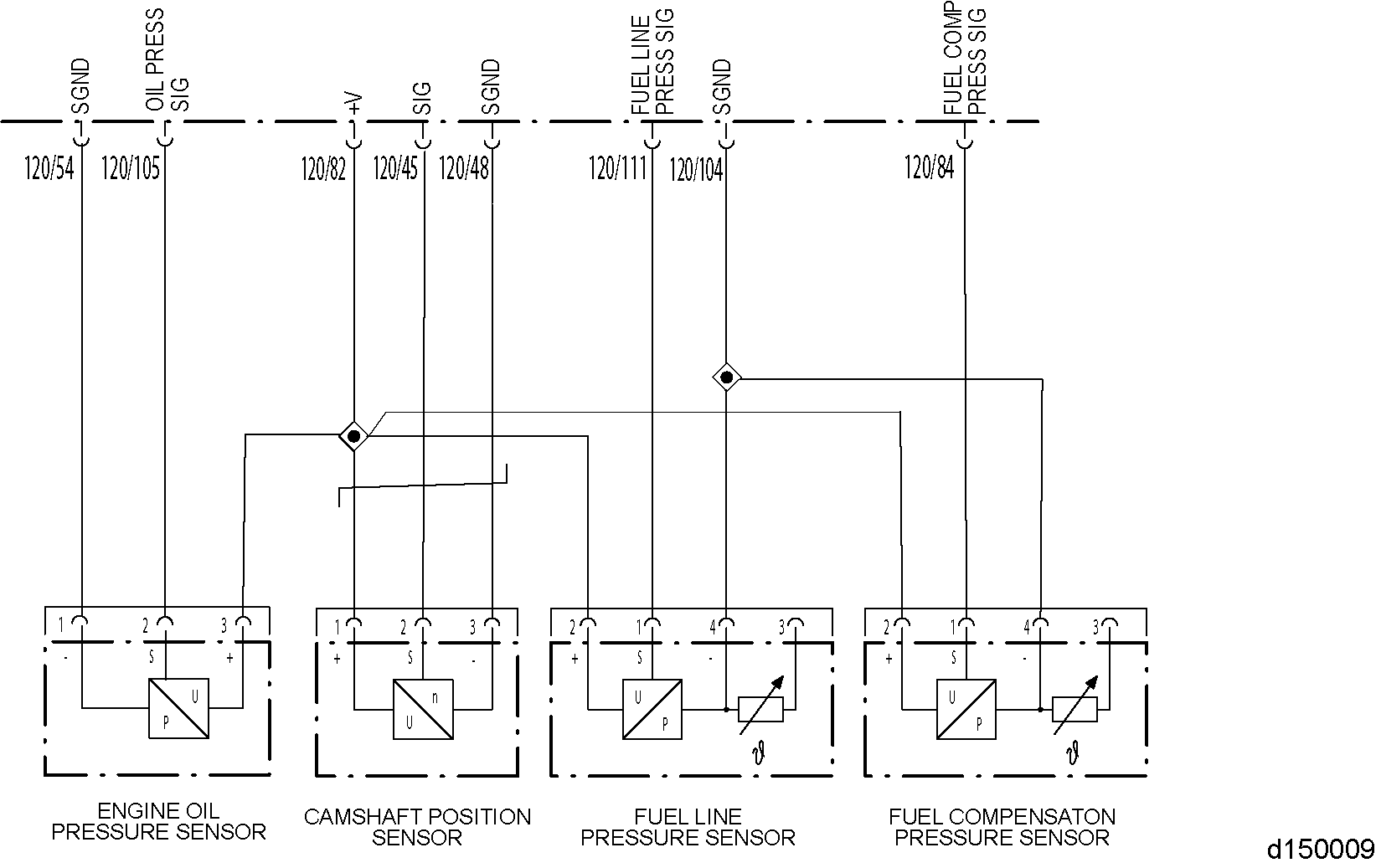
A typical diagnosis is an Engine Oil Pressure Sensor circuit failed high.

Check as follows:
- Turn the ignition ON (key On, engine OFF).
- Check for multiple codes:
- If 100/3, 94/3 and 4407/3 are present repair the short to power between pin 82 of the 120–pin MCM connector and the Engine Oil, Doser Fuel Line and Doser Fuel Compensation Sensors. Refer to "25.2.1 Verify Repairs" .
- If only 100/3 is present, go to the next step.
- Disconnect the Engine Oil Pressure Sensor.
- Measure the voltage between pin 3 of the EOP Sensor harness connector and ground.
- If voltage is greater than 5 volts, repair the short to power between pin 82 of the 120–pin MCM connector and pin 2 of the EOP Sensor connector. Refer to "25.2.1 Verify Repairs" .
- If no voltage is present, go to the next step.
- Measure the voltage between pin 2 of the EOP Sensor harness connector and ground.
- If voltage is greater than 5 volts, repair the short to power between pin 105 of the 120–pin MCM connector and pin 3 of the EOP Sensor connector. Refer to "25.2.1 Verify Repairs" .
- If no voltage is present, go to the next step.
- Measure the voltage between pins 1 and 3 of the EOP Sensor.
- If voltage is less than 5 volts, repair the open between pin 105 of the 120–pin MCM connector and pin 1 of the EOP Sensor connector. Refer to "25.2.1 Verify Repairs" .
- If the voltage is between 4.5 and 5 volts, repair the open between pin 54 of the 120–pin MCM connector and pin 2 of the EOP Sensor connector. Refer to "25.2.1 Verify Repairs" .
Section 25.2.1
Verify Repairs
Verify repairs as follows:
- Turn ignition OFF.
- Reconnect any electrical connections that were disconnected to perform the diagnosis.
- Clear codes with DDDL 7.0 or latest version.

ENGINE EXHAUST
To avoid injury from inhaling engine exhaust, always operate the engine in a well-ventilated area. Engine exhaust is toxic.
- Start and bring engine up to operating temperature (over 140°F/60°C).
- Verify operation is satisfactory and no warning lamps illuminate. If warning lamps illuminate, troubleshoot the codes. If assistance is required, call the Detroit Diesel Customer Support Center at 313–592–5800.
| EPA07 DD15 Troubleshooting Guide - DDC-SVC-MAN-0029 |
| Generated on 10-13-2008 |